Запчасти Komatsu WA250L-3 ТРАНСМИССИЯ (КОРПУС ТРАНСМИССИИ) (/) СИЛОВАЯ ПЕРЕДАЧА

Схема запчастей Komatsu WA250L-3 - ТРАНСМИССИЯ (КОРПУС ТРАНСМИССИИ) (/) СИЛОВАЯ ПЕРЕДАЧА
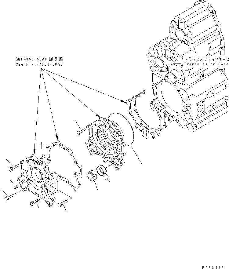
1
2
3
4
5
6
6
7
8
9
FIT
1:1
100%

Артикул

Название

Примечание

Количество

|$$1

SERIAL NO. IN ( ) INDICATES TRANSMISSION SERIAL NO.

-1шт.

|$3

714-13-10001

TORQFLOW ASS'Y

SN: (77880)-UP

1шт.

|$4

714-13-10000

TORQFLOW ASS'Y

SN: 53001-(77879)

1шт.

|$$4

THESE ASSEMBLIES CONSISTS OF ALL PARTS SHOWN IN FIGS.F4350-51A0 TO F4350-69A0.

-1шт.

1

714-13-14930

SPACER

SN: 53001-UP

2шт.

2

07043-70211

PLUG

SN: 53001-UP

3шт.

3

07000-02065

O-RING (K1)

SN: 53001-UP

4шт.

4

01010-81275

BOLT

SN: 53001-UP

2шт.

5

01010-81250

BOLT

SN: 53001-UP

2шт.

6

01010-81235

BOLT

SN: 53001-UP

9шт.

7

01010-81260

BOLT

SN: 53001-UP

7шт.

8

07000-05260

O-RING (K1)

SN: 53001-UP

1шт.

9

04020-01228

PIN,DOWEL

SN: 53001-UP

2шт.

Выбрано товаров: 0