Запчасти Komatsu WA250L-5 ЗАДН. КРЫЛО (ПОЛН. КРЫЛО) (КРЮК И DOVETAIL)(№7-7) ЧАСТИ КОРПУСА

Схема запчастей Komatsu WA250L-5 - ЗАДН. КРЫЛО (ПОЛН. КРЫЛО) (КРЮК И DOVETAIL)(№7-7) ЧАСТИ КОРПУСА
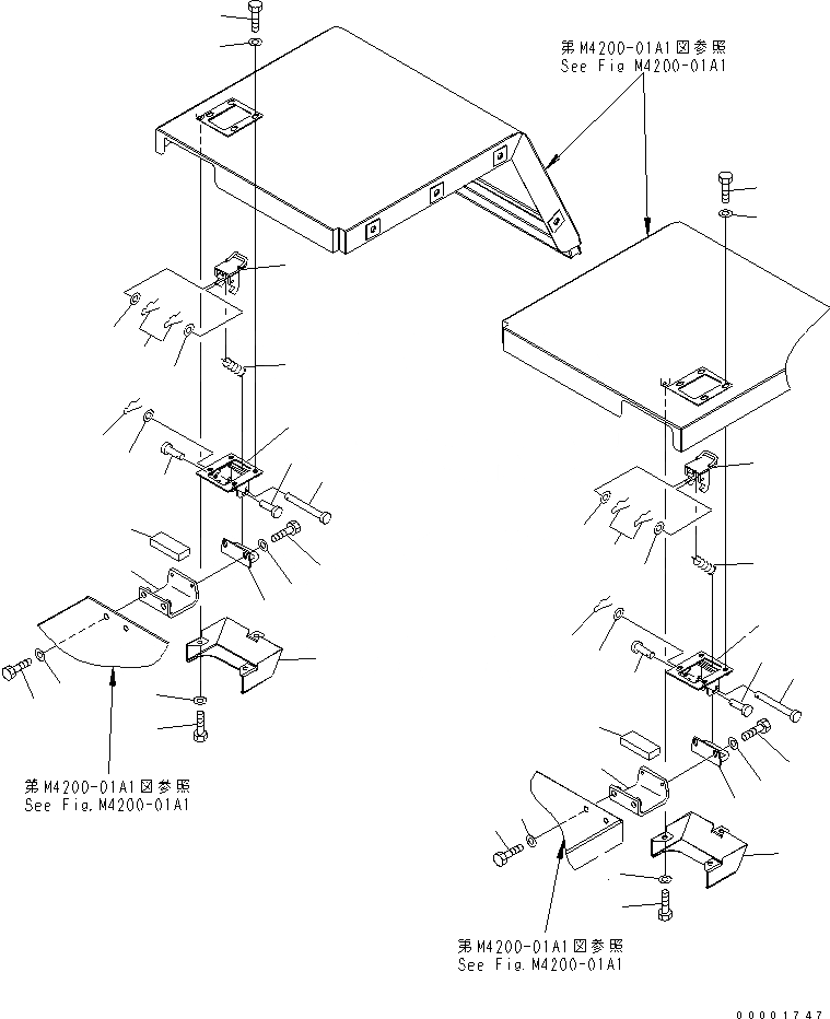
1
2
3
4
5
5
6
6
7
7
8
9
10
11
12
12
13
13
14
14
14
14
15
15
15
15
15
15
16
16
16
16
17
17
18
18
19
19
20
20
21
21
22
22
23
23
FIT
1:1
100%

Артикул

Название

Примечание

Количество

1

418-54-34611

BRACKET

SN: 70001-70066

1шт.

2

418-54-34631

CUSHION

SN: 70001-@

1шт.

3

01010-81230

BOLT

SN: 70001-@

2шт.

4

01643-31232

WASHER

SN: 70001-@

2шт.

5

418-54-34170

COVER

SN: 70001-70066

2шт.

6

01010-81016

BOLT

SN: 70001-70066

6шт.

7

01643-31032

WASHER

SN: 70001-70066

6шт.

8

418-54-34611

BRACKET

SN: 70001-70066

1шт.

9

418-54-34631

CUSHION

SN: 70001-@

1шт.

10

01010-81230

BOLT

SN: 70001-@

2шт.

11

01643-31232

WASHER

SN: 70001-@

2шт.

12

417-54-24630

LATCH

SN: 70001-70066

2шт.

13

415-54-11630

PIN

SN: 70001-@

2шт.

14

04205-10622

PIN

SN: 70001-@

4шт.

15

01641-20608

WASHER

SN: 70001-@

6шт.

16

04052-10633

PIN

SN: 70001-@

6шт.

17

417-54-24610

SPRING

SN: 70001-@

2шт.

18

418-54-34621

STRIKER

SN: 70001-@

2шт.

19

01010-81020

BOLT

SN: 70001-@

4шт.

20

01643-31032

WASHER

SN: 70001-@

4шт.

21

418-54-34181

BRACKET

SN: 70001-70066

2шт.

22

01010-81020

BOLT

SN: 70001-@

8шт.

23

01643-31032

WASHER

SN: 70001-@

8шт.

Выбрано товаров: 23