Запчасти Komatsu WA250L-5 МОТОР (С ORIFICE) (/7) ОСНОВН. КОМПОНЕНТЫ И РЕМКОМПЛЕКТЫ

Схема запчастей Komatsu WA250L-5 - МОТОР (С ORIFICE) (/7) ОСНОВН. КОМПОНЕНТЫ И РЕМКОМПЛЕКТЫ
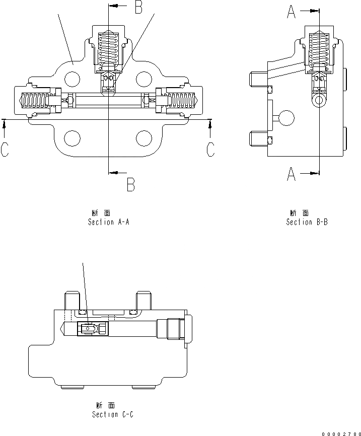
1
2
3
FIT
1:1
100%

Артикул

Название

Примечание

Количество

|$$1

THE UCHIDA YUATSU KIKI PART NUMBER IS THAT UC IS REMOVED FROM KOMATSU PART NUMBER LISTED BELOW.

-1шт.

|$2

UC4706037627

FLUSHING VALVE

SN: 70001-UP

1шт.

1

UC4706138362

FLUSHING VALVE

SN: 70001-UP

1шт.

2

UC4704466252

ORIFICE

SN: 70001-UP

1шт.

3

UC4704475917

ORIFICE

SN: 70001-UP

1шт.

Выбрано товаров: 5