Запчасти Komatsu WA250L-5 ГИДРОЛИНИЯ (E.C.S.S ACCUMLATOR) ГИДРАВЛИКА

Схема запчастей Komatsu WA250L-5 - ГИДРОЛИНИЯ (E.C.S.S ACCUMLATOR) ГИДРАВЛИКА
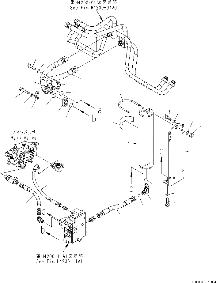
1
2
3
4
5
6
7
8
9
10
11
12
13
14
15
15
16
16
16
17
18
19
19
20
21
22
23
24
FIT
1:1
100%

Артикул

Название

Примечание

Количество

1

721-32-08200

ACCUMULATOR ASS'Y

SN: 70001-UP

1шт.

2

01010-81230

BOLT

SN: 70001-UP

2шт.

3

01643-31232

WASHER

SN: 70001-UP

2шт.

4

421-S99-3132

CLIP

SN: 70001-UP

1шт.

5

01596-01009

NUT

SN: 70001-UP

2шт.

6

01643-31032

WASHER

SN: 70001-UP

2шт.

7

418-S99-3291

BRACKET

SN: 70001-UP

1шт.

8

01010-81225

BOLT

SN: 70001-UP

4шт.

9

01643-31232

WASHER

SN: 70001-UP

4шт.

10

02782-1062A

ELBOW

SN: 70001-UP

1шт.

11

07002-12434

O-RING

SN: 70001-UP

1шт.

12

02896-11018

O-RING

SN: 70001-UP

1шт.

13

09659-A057B

PLATE, SAFETY

SN: 70001-UP

1шт.

14

418-S99-3261

HOSE, 570MM

SN: 70001-UP

1шт.

15

07371-31049

FLANGE

SN: 70001-UP

4шт.

16

07000-13032

O-RING

SN: 70001-UP

3шт.

17

07372-21055

BOLT

SN: 70001-UP

4шт.

18

07372-21035

BOLT

SN: 70001-UP

4шт.

19

01643-51032

WASHER

SN: 70001-UP

8шт.

20

07373-21000

SPACER

SN: 70001-UP

1шт.

21

418-S99-3340

HOSE, 550MM

SN: 70001-UP

1шт.

22

02754-00405

HOSE

SN: 70001-UP

1шт.

23

02753-00604

HOSE

SN: 70001-UP

1шт.

24

418-S99-3171

HOSE, 400MM

SN: 70001-UP

1шт.

Выбрано товаров: 24