Запчасти Komatsu WA250PT-3 ПОЛ Э/ПРОВОДКА (ПОЛ ЛИНИЯ) КАБИНА ОПЕРАТОРА И СИСТЕМА УПРАВЛЕНИЯ

Схема запчастей Komatsu WA250PT-3 - ПОЛ Э/ПРОВОДКА (ПОЛ ЛИНИЯ) КАБИНА ОПЕРАТОРА И СИСТЕМА УПРАВЛЕНИЯ
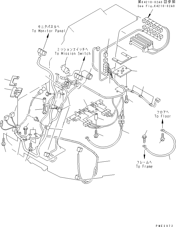
1
2
3
4
5
6
7
8
9
10
11
12
12
13
14
15
16
17
18
19
20
21
22
23
24
25
26
26
FIT
1:1
100%

Артикул

Название

Примечание

Количество

1

418-06-22362

WIRING HARNESS

SN: 50001-UP

1шт.

1

08020-10000

DIODE

SN: 50001-UP

4шт.

2

421-06-22330

CONNECTOR

SN: 50001-UP

1шт.

3

427-03-10370

SPACER

SN: 50001-UP

1шт.

4

08036-02514

CLIP

SN: 50001-UP

3шт.

5

04434-53412

CLIP

SN: 50001-UP

2шт.

6

01435-01016

BOLT

SN: 50001-UP

4шт.

7

01435-01045

BOLT

SN: 50001-UP

1шт.

8

08036-02514

CLIP

SN: 50001-UP

1шт.

9

01435-01016

BOLT

SN: 50001-UP

1шт.

10

04434-52712

CLIP

SN: 50001-UP

2шт.

11

04434-53412

CLIP

SN: 50001-UP

1шт.

12

01435-01016

BOLT

SN: 50001-UP

3шт.

13

421-54-15520

CLIP

SN: 50001-UP

3шт.

14

08034-20519

BAND

SN: 50001-UP

8шт.

15

417-06-22410

PLATE

SN: 50001-UP

1шт.

16

417-06-22420

SHEET

SN: 50001-UP

1шт.

17

01435-00612

BOLT

SN: 50001-UP

2шт.

18

419-06-22530

PLATE

SN: 50001-UP

1шт.

19

418-06-22440

SHEET

SN: 50001-UP

1шт.

20

01435-00612

BOLT

SN: 50001-UP

2шт.

21

418-06-22220

BRACKET

SN: 50001-UP

1шт.

22

01435-01065

BOLT

SN: 50001-UP

2шт.

23

195-979-5190

COLLAR

SN: 50001-UP

2шт.

24

418-06-22250

WIRING HARNESS

SN: 50001-UP

1шт.

25

421-06-12750

WIRE

SN: 50001-UP

1шт.

26

01435-01016

BOLT

SN: 50001-UP

2шт.

Выбрано товаров: 27