Запчасти Komatsu WA250PT-3L FIG NO. F-8A ТРАНСМИССИЯ (ОНОСЯЩИЕСЯ К НЕЙ ЧАСТИ)(/) СИЛОВАЯ ПЕРЕДАЧА И КОНЕЧНАЯ ПЕРЕДАЧА

Схема запчастей Komatsu WA250PT-3L - FIG NO. F-8A ТРАНСМИССИЯ (ОНОСЯЩИЕСЯ К НЕЙ ЧАСТИ)(/) СИЛОВАЯ ПЕРЕДАЧА И КОНЕЧНАЯ ПЕРЕДАЧА
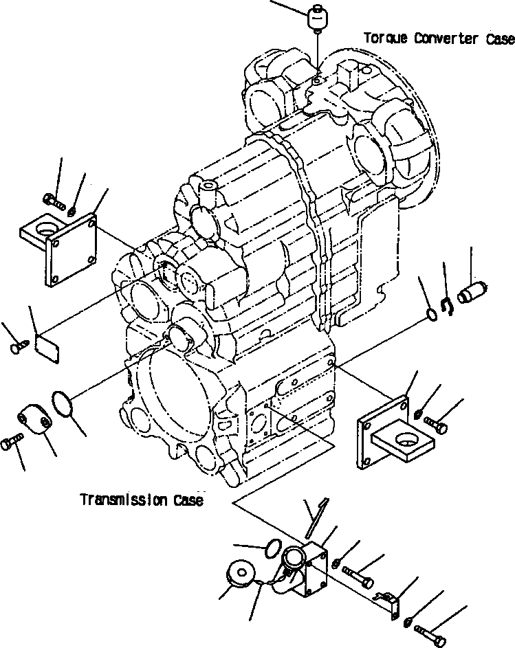
1
18
19
17
7
8
9
2
3
17
19
18
5
4
6
11
10
16
14
15
20
16
21
13
12
FIT
1:1
100%

Артикул

Название

Примечание

Количество

|$0

714-13-X0040

TRANSMISSION ASSEMBLY (SEE PG F-016)

-29шт.

1

07030-00252

BREATHER

1шт.

2

09608-05080

PLATE, NAME

1шт.

3

04418-13060

SCREW

4шт.

4

714-13-11350

COVER

1шт.

5

07000-02065

O-RING

1шт.

6

01010-61225

BOLT

2шт.

7

419-15-18241

PLUG

1шт.

8

419-15-18251

RING, SNAP

1шт.

9

07002-02434

O-RING

1шт.

10

714-13-18810

TUBE, FILLER

1шт.

11

714-13-18530

GUAGE, LEVEL

1шт.

12

6136-21-7190

CHAIN

1шт.

13

417-979-2110

CAP ASSEMBLY

1шт.

|$14

6136-21-7180

GASKET

1шт.

14

07000-02065

O-RING

1шт.

15

01010-81075

BOLT

3шт.

16

01643-31032

WASHER

4шт.

17

418-14-21110

BRACKET

2шт.

18

01010-31650

BOLT

8шт.

19

01643-31645

WASHER

8шт.

20

714-13-18450

PLATE

1шт.

21

01010-81080

BOLT

1шт.

Выбрано товаров: 23