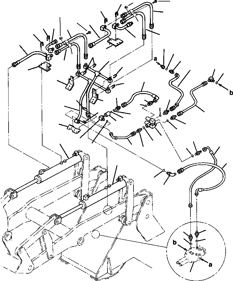
Запчасти Komatsu WA250PT-3L FIG NO. H-A ГИДРОЛИНИЯ УПРАВЛЯЮЩ. КЛАПАН - ГИДРОЦИЛИНДР КОВША MACHINES С PARALLEL ИНСТРУМЕНТ НЕСУЩИЙ ЭЛЕМЕНТ ГИДРАВЛИКА

Схема запчастей Komatsu WA250PT-3L - FIG NO. H-A ГИДРОЛИНИЯ УПРАВЛЯЮЩ. КЛАПАН - ГИДРОЦИЛИНДР КОВША MACHINES С PARALLEL ИНСТРУМЕНТ НЕСУЩИЙ ЭЛЕМЕНТ ГИДРАВЛИКА
49
46
48
46
42
49
48
44
47
46
43
42
46
42
43
44
12
45
11
41
47
10
25
42
41
16
13
17
45
28
40
41
29
14
26
37
39
27
15
35
38
30
18
31
36
32
19
20
8
21
33
50
23
7
9
34
24
22
4
50
6
5
2
2
3
3
1
FIT
1:1
100%

Артикул

Название

Примечание

Количество

|$0

VALVE, 2-SPOOL (SEE PG H-006)

-29шт.

1

VALVE, 3-SPOOL (SEE PG H-014)

-29шт.

2

418-62-13550

UNION

2шт.

3

07002-12434

O-RING

2шт.

4

418-62-13330

HOSE

1шт.

5

07236-10628

ADAPTER

1шт.

6

07002-22434

O-RING

1шт.

7

418-62-13330

HOSE

1шт.

8

22W-62-13110

NIPPLE

1шт.

9

22W-62-13420

O-RING

1шт.

10

07238-10210

CONNECTOR

1шт.

11

07002-21423

O-RING

1шт.

12

201-62-21680

BUSHING

1шт.

13

417-U77-1610

HOSE

1шт.

14

23S-61-24120

UNION

1шт.

15

07000-12011

O-RING

1шт.

16

417-U77-A390

ELBOW

1шт.

17

07002-22434

O-RING

1шт.

18

417-U77-1590

HOSE

1шт.

19

23S-61-24120

UNION

1шт.

20

07000-12011

O-RING

1шт.

21

23S-60-26304

VALVE ASSEMBLY, PILOT SOLENOID

1шт.

|$22

01010-80860

BOLT, VALVE MOUNTING

2шт.

|$23

01643-30823

WASHER

2шт.

22

22W-62-13110

NIPPLE

1шт.

23

22W-62-13420

O-RING

1шт.

24

417-U77-1580

HOSE

1шт.

25

417-U77-A411

TUBE, L.H

1шт.

26

07230-20628

NIPPLE

1шт.

27

07002-12434

O-RING

1шт.

28

416-62-23380

HOSE

1шт.

29

417-62-13720

NIPPLE

1шт.

30

07002-13034

O-RING

1шт.

31

417-U77-1640

VENT

1шт.

32

417-62-13580

COUPLE

1шт.

33

07235-10628

ELBOW

1шт.

34

07002-12434

O-RING

1шт.

35

417-U77-A420

TUBE, R.H

1шт.

36

418-U77-A060

BRACKET

1шт.

|$39

01435-01225

BOLT, MOUNTING BRACKET

2шт.

37

07283-32738

U-BOLT, L.H. TUBE CLAMPING

1шт.

|$41

01643-31032

WASHER

2шт.

|$42

01597-01009

NUT

2шт.

38

07283-33442

U-BOLT, R.H. TUBE CLAMPING

1шт.

|$44

01643-31032

WASHER

2шт.

|$45

01597-01009

NUT

2шт.

39

418-U77-A030

BRACKET, L.H

1шт.

|$47

01435-01225

BOLT, MOUNTING BRACKET

2шт.

40

418-U77-A040

BRACKET, R.H

1шт.

|$49

01435-01225

BOLT, MOUNTING BRACKET

2шт.

41

07283-32738

U-BOLT, TUBE CLAMPING

4шт.

|$51

01643-31032

WASHER

8шт.

|$52

01597-01009

NUT

8шт.

42

418-T80-A870

HOSE

4шт.

43

417-U77-1510

TUBE, HEAD END

2шт.

44

417-U77-1520

TUBE, ROD END

2шт.

45

417-U77-1470

BRACKET

2шт.

|$57

01435-01020

BOLT, MOUNTING BRACKET

4шт.

46

07283-32738

U-BOLT, TUBE CLAMPING

4шт.

|$59

01643-31032

WASHER

8шт.

|$60

01597-01009

NUT

8шт.

47

424-09-12570

CLIP

4шт.

48

01435-01225

BOLT

2шт.

49

01584-01210

NUT

2шт.

50

CYLINDER ASSEMBLY, DUMP (SEE PG T-010)

-29шт.

Выбрано товаров: 65