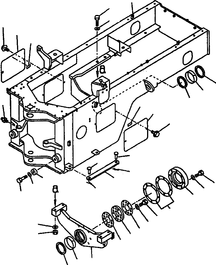
Запчасти Komatsu WA250PT-3L FIG NO. J-A ЗАДН. РАМА ПЕРЕДН. РАМА

Схема запчастей Komatsu WA250PT-3L - FIG NO. J-A ЗАДН. РАМА ПЕРЕДН. РАМА
1
16
17
21
19
20
4
3
2
4
20
21
23
25
26
22
14
28
15
24
27
10
11
12
17
13
9
18
8
9
5
6
7
19
23
FIT
1:1
100%

Артикул

Название

Примечание

Количество

1

418-T80-A800

FRAME, REAR

1шт.

2

07020-00000

FITTING, GREASE

2шт.

3

418-46-17110

BUSHING

1шт.

4

421-46-15132

PACKING

2шт.

5

418-46-27110

SUPPORT, REAR

1шт.

6

418-46-12150

BUSHING

1шт.

7

421-46-15132

PACKING

1шт.

8

418-46-12141

PLATE, THRUST

1шт.

9

418-46-17120

WASHER, THRUST

2шт.

10

418-46-12131

COVER

1шт.

11

418-46-12160

SHIM, 0.2MM

3шт.

12

01010-31250

BOLT

8шт.

13

01643-31232

WASHER

8шт.

14

01010-31265

BOLT

8шт.

15

01643-31232

WASHER

8шт.

16

01011-32440

BOLT

4шт.

17

01643-32460

WASHER

8шт.

18

01580-02419

NUT

4шт.

19

417-46-24120

COVER

2шт.

20

421-09-21420

SHEET

4шт.

21

01435-01225

BOLT

4шт.

22

417-46-24110

BAR, LOCK

1шт.

23

416-46-12230

PIN

2шт.

24

04050-18055

PIN, COTTER

1шт.

25

415-46-11360

PIN, SNAP

1шт.

26

416-46-11210

BUMPER

2шт.

27

01010-51225

BOLT

2шт.

28

01643-31232

WASHER

2шт.

Выбрано товаров: 28