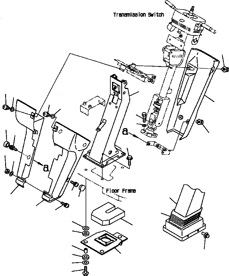
Запчасти Komatsu WA250PT-3L FIG NO. K-A РУЛЕВОЕ КОЛЕСО И РУЛЕВ. КОЛОНКА И ORBITROL (КОРПУС) КАБИНА ОПЕРАТОРА И СИСТЕМА УПРАВЛЕНИЯ

Схема запчастей Komatsu WA250PT-3L - FIG NO. K-A РУЛЕВОЕ КОЛЕСО И РУЛЕВ. КОЛОНКА И ORBITROL (КОРПУС) КАБИНА ОПЕРАТОРА И СИСТЕМА УПРАВЛЕНИЯ
13
10
16
17
16
12
17
8
9
21
16
13
11
20
19
10
16
15
21
14
22
18
4
2
6
7
5
23
1
4
3
FIT
1:1
100%

Артикул

Название

Примечание

Количество

1

418-40-22120

BRACKET

1шт.

2

418-40-22131

SEAL

1шт.

3

01435-01255

BOLT

3шт.

4

419-43-17920

WASHER

6шт.

5

419-43-17930

CUSHION

3шт.

6

417-62-13620

CUSHION

3шт.

7

417-62-14130

SPACER

3шт.

8

02010-70638

BOLT

4шт.

9

01643-31032

WASHER

4шт.

10

421-54-22210

SUPPORT

1шт.

11

01435-01230

BOLT

4шт.

12

421-54-22310

COVER

1шт.

13

421-09-21410

SCREW

4шт.

14

421-54-22321

COVER, LEFT HAND

1шт.

15

421-54-22331

COVER, RIGHT HAND

1шт.

16

421-09-21410

SCREW

6шт.

17

01642-40608

WASHER

2шт.

18

421-09-21430

SCREW

2шт.

19

01642-40608

WASHER

3шт.

20

421-09-21340

NUT

2шт.

21

421-54-22540

PLUG

4шт.

22

421-54-22340

BOOT

1шт.

23

421-09-21240

PLUG

6шт.

Выбрано товаров: 23