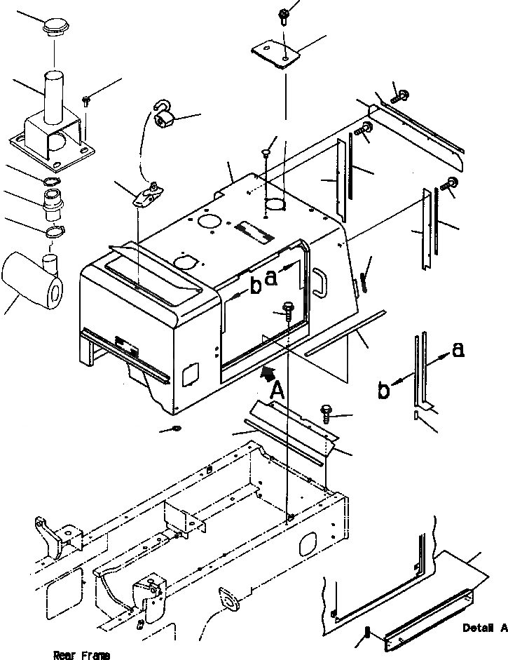
Запчасти Komatsu WA250PT-3L FIG NO. M-A КАПОТ (/) ЧАСТИ КОРПУСА

Схема запчастей Komatsu WA250PT-3L - FIG NO. M-A КАПОТ (/) ЧАСТИ КОРПУСА
27
26
23
22
28
25
29
24
25
30
1
11
1
21
7
6
5
4
9
10
8
9
10
8
14
16
17
15
12
13
3
2
18
FIT
1:1
100%

Артикул

Название

Примечание

Количество

1

418-54-21970

HOOD

1шт.

2

01435-01230

BOLT

8шт.

3

01641-21423

WASHER

2шт.

4

416-54-21280

PLUG

2шт.

5

418-54-A1920

PLATE

1шт.

6

417-54-21430

PLATE

1шт.

7

01435-00816

BOLT

4шт.

8

418-54-11251

PLATE

2шт.

9

418-54-11470

SHEET

2шт.

10

01435-00816

BOLT

6шт.

11

418-54A-1931

PLATE

1шт.

12

01435-01016

BOLT

3шт.

13

418-54-21710

SEAL

1шт.

14

416-54-21540

SEAL

2шт.

15

417-54-21370

SEAL

2шт.

16

417-54-21380

SEAL

2шт.

17

417-54-21490

SEAL

4шт.

18

417-54-21990

SHEET

2шт.

21

600-181-8160

CAP, AIR INTAKE

1шт.

22

418-U12-2150

TUBE, AIR INTAKE

1шт.

23

01435-01020

BOLT

4шт.

24

600-181-0640

HOSE, AIR

1шт.

25

07281-01159

CLAMP, HOSE

2шт.

26

416-Z91-2110

PLATE

1шт.

27

01435-00820

BOLT

2шт.

28

650 382 C92

PADLOCK

1шт.

29

NSS

LATCH, DOOR

1шт.

30

AIR CLEANER (SEE PG B-008)

-29шт.

Выбрано товаров: 28