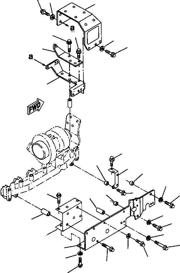
Запчасти Komatsu WA250PT-3L FIG NO. B-7A ТЕРМОЗАЩИТА КОМПОНЕНТЫ ДВИГАТЕЛЯ

Схема запчастей Komatsu WA250PT-3L - FIG NO. B-7A ТЕРМОЗАЩИТА КОМПОНЕНТЫ ДВИГАТЕЛЯ
19
20
17
22
22
20
19
21
18
4
1
12
5
13
15
10
14
4
7
8
16
11
2
16
9
6
15
15
7
3
7
FIT
1:1
100%

Артикул

Название

Примечание

Количество

1

6732-81-8870

BRACKET

1шт.

2

6138-81-8660

SPACER

2шт.

3

01435-01060

BOLT

2шт.

4

01435-01020

BOLT

3шт.

5

6735-81-8710

BRACKET

1шт.

6

6735-81-8130

COVER

1шт.

7

01435-00820

BOLT

6шт.

8

6134-11-5120

SPACER

1шт.

9

01435-01065

BOLT

1шт.

10

6206-11-4590

SPACER

1шт.

11

01435-01030

BOLT

1шт.

12

6206-11-4590

SPACER

1шт.

13

6204-81-6740

SPACER

2шт.

14

01435-01040

BOLT

1шт.

15

6201-81-6560

SPACER

6шт.

16

01643-31032

WASHER

2шт.

17

6732-81-8880

COVER

1шт.

18

6732-81-8890

BRACKET

1шт.

19

01435-00820

BOLT

4шт.

20

6201-81-6560

SPACER

4шт.

21

6735-81-8730

BRACKET

1шт.

22

01435-00820

BOLT

3шт.

Выбрано товаров: 22