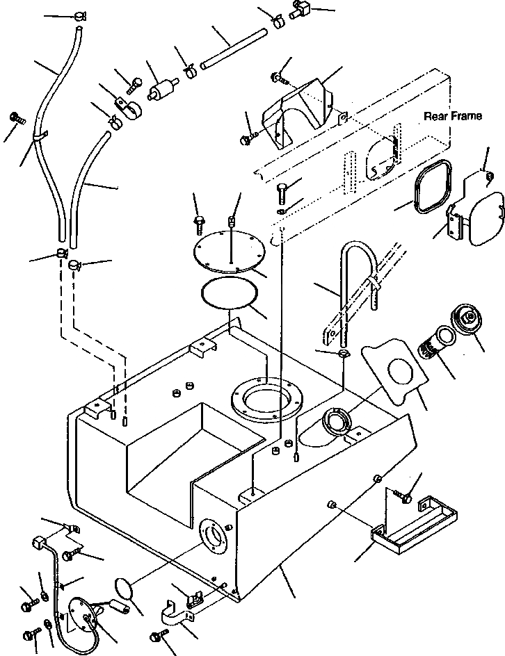
Запчасти Komatsu WA250PT-3L FIG NO. D-A ТОПЛИВН. БАК. ТОПЛИВН. БАК. AND КОМПОНЕНТЫ

Схема запчастей Komatsu WA250PT-3L - FIG NO. D-A ТОПЛИВН. БАК. ТОПЛИВН. БАК. AND КОМПОНЕНТЫ
22
43
20
21
22
32
40
42
41
1
22
36
31
34
24
18
16
23
25
8
4
19
26
35
33
22
20
2
9
3
10
28
27
37
39
29
30
17
38
15
5
14
6
11
13
12
7
FIT
1:1
100%

Артикул

Название

Примечание

Количество

1

418-04-A1200

FUEL TANK

1шт.

2

421-04-11182

COVER

1шт.

3

07000-15200

O-RING

1шт.

4

01435-01020

BOLT

6шт.

5

363-04-11130

VALVE, DRAIN

1шт.

6

417-04-10140

COVER

1шт.

7

01435-00816

BOLT

2шт.

8

07042-20211

PLUG

1шт.

9

07270-21090

TUBE

1шт.

10

07281-00167

CLAMP, HOSE

1шт.

11

7861-92-4810

SENSOR, LEVEL

1шт.

12

01435-01016

BOLT

4шт.

13

01643-31032

WASHER

4шт.

14

07000-12085

O-RING

1шт.

15

04434-50610

CLIP

2шт.

16

01435-00816

BOLT

1шт.

17

01643-30823

WASHER

1шт.

18

07270-20868

HOSE

1шт.

19

418-04-A1320

HOSE

1шт.

20

07281-00167

CLAMP, HOSE

2шт.

21

418-04-A1310

HOSE

1шт.

22

07281-00259

CLAMP, HOSE

4шт.

23

04434-51010

CLIP

1шт.

24

01435-01016

BOLT

1шт.

25

01010-61635

BOLT

4шт.

26

421-70-11280

WASHER

4шт.

27

07056-18416

STRAINER

1шт.

28

423-04-11362

CAP

1шт.

|$28

417-04-21230

PACKING

1шт.

29

08053-01510

CLIP

1шт.

30

01435-01016

BOLT

1шт.

31

417-04-21131

COVER

1шт.

32

01435-01020

BOLT

2шт.

33

417-04-21171

COVER

1шт.

34

09467-00006

SPRING

1шт.

35

417-04-21210

FINISHER

1шт.

36

01435-01020

BOLT

2шт.

37

417-04-21220

RUBBER

1шт.

38

417-54-12172

LADDER

1шт.

39

01435-01225

BOLT

2шт.

40

207-04-A1100

FUEL STRAINER

1шт.

41

23S-62-25850

CLIP

1шт.

42

01435-01016

BOLT

1шт.

43

864 457 R1

ELBOW

1шт.

Выбрано товаров: 44