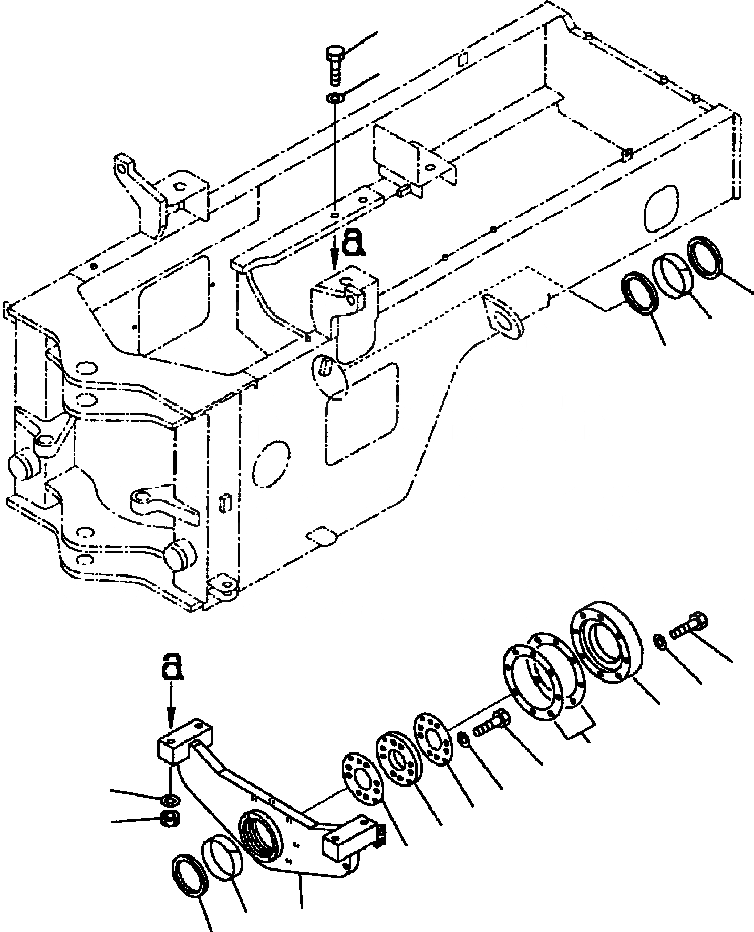
Запчасти Komatsu WA250PT-3MC FIG. J-A ЗАДН. МОСТ СУППОРТ ОСНОВНАЯ РАМА И ЕЕ ЧАСТИ

Схема запчастей Komatsu WA250PT-3MC - FIG. J-A ЗАДН. МОСТ СУППОРТ ОСНОВНАЯ РАМА И ЕЕ ЧАСТИ
14
15
13
12
13
3
4
2
10
6
15
7
11
16
5
11
1
8
9
FIT
1:1
100%

Артикул

Название

Примечание

Количество

1

418-46-27310

SUPPORT, REAR

SN: A78001 --UP

1шт.

2

418-46-12131

COVER

SN: A78001 --UP

1шт.

3

01010-61265

BOLT

SN: A78001 --UP

8шт.

4

01643-31232

WASHER

SN: A78001 --UP

8шт.

5

418-46-12141

PLATE, THRUST

SN: A78001 --UP

1шт.

6

01010-61250

BOLT

SN: A78001 --UP

8шт.

7

01643-31232

WASHER

SN: A78001 --UP

8шт.

8

418-46-12150

BUSHING

SN: A78001 --UP

1шт.

9

421-46-15132

PACKING

SN: A78001 --UP

1шт.

10

418-46-12160

SHIM, 0.2 MM

SN: A78001 --UP

2шт.

11

418-46-17120

WASHER, THRUST

SN: A78001 --UP

2шт.

12

418-46-17110

BUSHING

SN: A78001 --UP

1шт.

13

421-46-15132

PACKING

SN: A78001 --UP

2шт.

14

01011-62440

BOLT

SN: A78001 --UP

4шт.

15

01643-32460

WASHER

SN: A78001 --UP

8шт.

16

01580-02419

NUT

SN: A78001 --UP

4шт.

Выбрано товаров: 16