Запчасти Komatsu WA250PT-5 ЦИЛИНДР РУЛЕВ. УПР-Я ОСНОВНАЯ РАМА И ЕЕ ЧАСТИ

Схема запчастей Komatsu WA250PT-5 - ЦИЛИНДР РУЛЕВ. УПР-Я ОСНОВНАЯ РАМА И ЕЕ ЧАСТИ
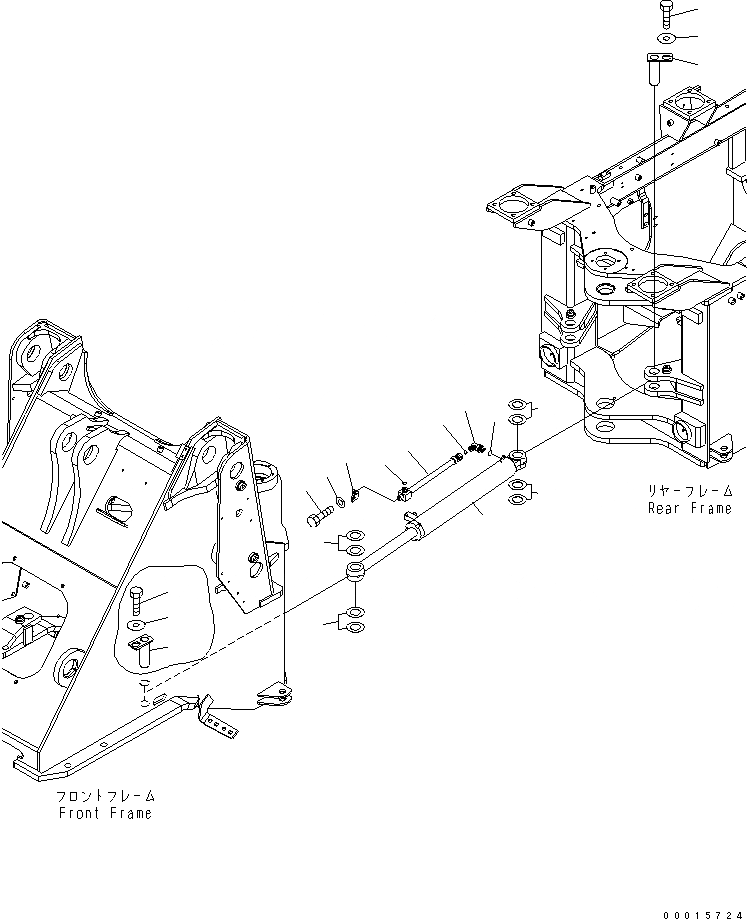
1
2
3
4
5
6
7
8
9
10
10
11
11
11
11
12
12
13
13
FIT
1:1
100%

Артикул

Название

Примечание

Количество

1

707-00-07H80

CYLINDER ASS'Y

SN: 70001-UP

2шт.

2

418-46-34210

TUBE

SN: 70001-UP

2шт.

3

02896-11012

O-RING

SN: 70001-UP

2шт.

4

418-46-34220

PLATE

SN: 70001-UP

2шт.

5

01010-81016

BOLT

SN: 70001-UP

4шт.

6

01643-31032

WASHER

SN: 70001-UP

4шт.

7

02782-10422

ELBOW

SN: 70001-UP

2шт.

8

07002-12034

O-RING

SN: 70001-UP

2шт.

9

02896-11012

O-RING

SN: 70001-UP

2шт.

10

419-46-12260

PIN

SN: 70001-UP

4шт.

11

419-46-12280

SHIM, 1.0MM

SN: 70001-UP

18шт.

11

419-46-12290

SHIM, 0.5MM

SN: 70001-UP

10шт.

12

01010-81220

BOLT

SN: 70001-UP

4шт.

13

175-54-34170

WASHER

SN: 70001-UP

4шт.

Выбрано товаров: 14