Запчасти Komatsu WA250PT-5 ЗАДН. Э/ПРОВОДКА (/) (ОСНОВН. Э/ПРОВОДКА) ЭЛЕКТРИКА

Схема запчастей Komatsu WA250PT-5 - ЗАДН. Э/ПРОВОДКА (/) (ОСНОВН. Э/ПРОВОДКА) ЭЛЕКТРИКА
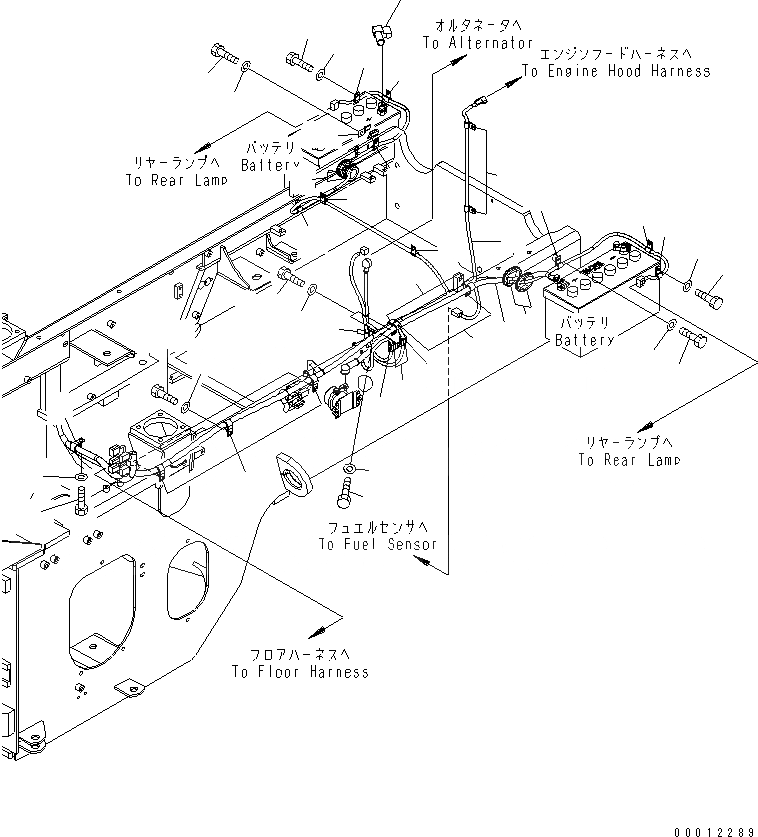
1
2
3
4
5
5
6
7
8
8
8
8
8
8
8
8
8
8
8
9
9
10
11
11
11
11
11
11
11
11
12
12
12
12
12
12
12
12
13
14
FIT
1:1
100%

Артикул

Название

Примечание

Количество

1

418-06-32347

WIRING HARNESS

SN: 70600-UP

1шт.

1

418-06-32346

WIRING HARNESS

SN: 70001-70599

1шт.

2

418-06-32640

CABLE

SN: 70001-UP

1шт.

3

08037-03620

GROMMET

SN: 70001-UP

2шт.

4

426-09-11230

GROMMET

SN: 70001-UP

2шт.

5

04434-52312

CLIP

SN: 70001-UP

4шт.

6

04434-52212

CLIP

SN: 72033-UP

2шт.

6

04434-51912

CLIP

SN: 70001-72032

2шт.

7

04434-51712

CLIP

SN: 70001-UP

2шт.

8

04434-51012

CLIP

SN: 70001-UP

11шт.

9

04434-51712

CLIP

SN: 70001-UP

2шт.

10

07095-20211

CUSHION

SN: 70001-UP

2шт.

11

01010-81020

BOLT

SN: 70001-UP

17шт.

12

01643-31032

WASHER

SN: 70001-UP

17шт.

13

08193-21012

CLIP

SN: 70001-UP

1шт.

14

14X-06-12280

COVER

SN: 70001-UP

1шт.

Выбрано товаров: 16