Запчасти Komatsu WA250PT-5 ЗАДН. Э/ПРОВОДКА (/) (HST Э/ПРОВОДКА)(№7-) ЭЛЕКТРИКА

Схема запчастей Komatsu WA250PT-5 - ЗАДН. Э/ПРОВОДКА (/) (HST Э/ПРОВОДКА)(№7-) ЭЛЕКТРИКА
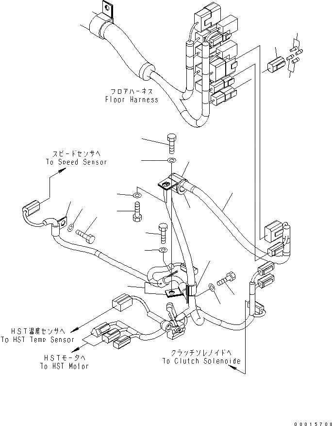
1
2
2
3
4
5
6
6
6
6
6
7
7
7
7
7
8
9
9
FIT
1:1
100%

Артикул

Название

Примечание

Количество

1

418-06-32392

WIRING HARNESS

SN: 72788-UP

1шт.

1

418-06-32391

WIRING HARNESS

SN: 72033-72787

1шт.

2

04434-51412

CLIP

SN: 70001-UP

3шт.

3

04434-51912

CLIP

SN: 70001-UP

1шт.

4

07095-20318

CUSHION

SN: 70001-UP

1шт.

5

04434-52512

CLIP

SN: 70001-UP

1шт.

6

01010-81020

BOLT

SN: 70001-UP

5шт.

7

01643-31032

WASHER

SN: 70001-UP

5шт.

8

08192-24200

CONNECTOR

SN: 72033-UP

1шт.

9

08191-00770

PLUG

SN: 72033-UP

4шт.

Выбрано товаров: 10