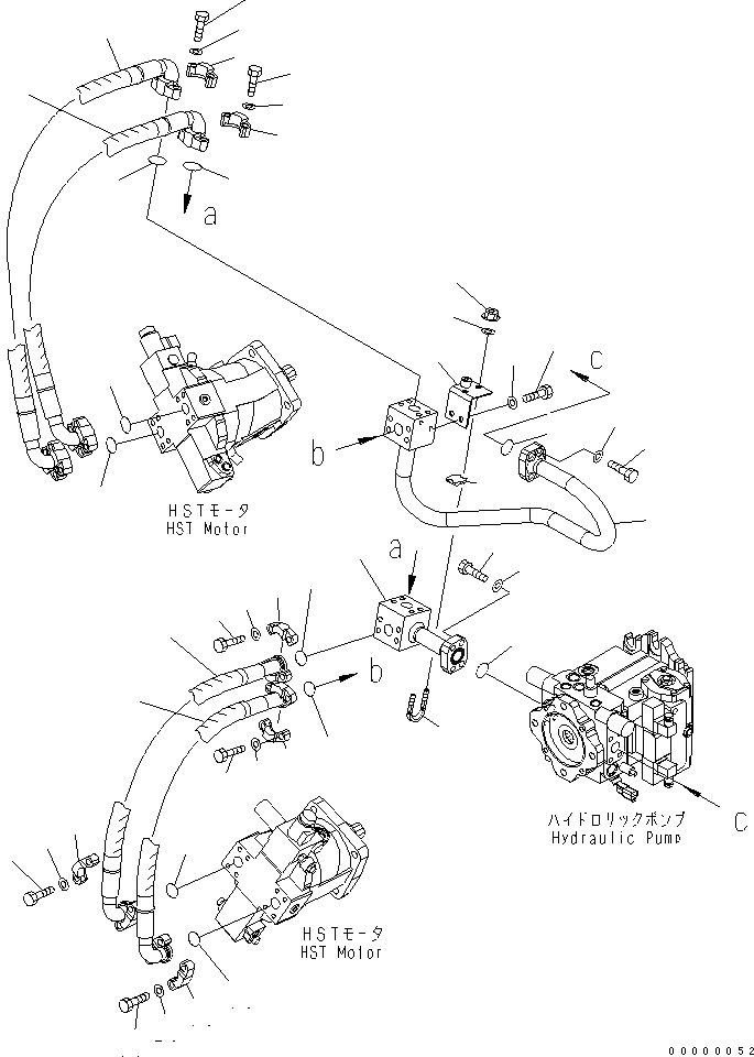
Запчасти Komatsu WA250PT-5 HST МАСЛ. ЛИНИЯ (ОСНОВН. ЛИНИЯ) ТРАНСМИССИЯ

Схема запчастей Komatsu WA250PT-5 - HST МАСЛ. ЛИНИЯ (ОСНОВН. ЛИНИЯ) ТРАНСМИССИЯ
1
2
3
4
5
6
7
8
9
10
11
12
12
13
14
15
16
17
18
19
20
20
21
22
23
24
25
25
26
27
28
29
30
30
31
32
33
34
35
36
37
38
39
40
41
FIT
1:1
100%

Артикул

Название

Примечание

Количество

1

07000-13035

O-RING

SN: 70001-UP

1шт.

2

418-18-32160

TUBE

SN: 70001-UP

1шт.

3

07372-21240

BOLT

SN: 70001-UP

4шт.

4

01643-51232

WASHER

SN: 70001-UP

4шт.

5

415-18-21310

O-RING

SN: 70001-UP

1шт.

6

07000-13032

O-RING

SN: 70001-UP

1шт.

7

418-18-32232

HOSE

SN: 70001-UP

1шт.

7

418-18-32520

HOSE,EMERGENCY

SN: 70001-UP

1шт.

8

415-18-11230

FLANGE

SN: 70001-UP

2шт.

9

07372-21245

BOLT

SN: 70001-UP

4шт.

9

20K-970-1150

BOLT,EMERGENCY

SN: 70001-UP

4шт.

10

209-62-64232

FLANGE

SN: 70001-UP

2шт.

11

07372-21240

BOLT

SN: 70001-UP

4шт.

12

01643-51232

WASHER

SN: 70001-UP

8шт.

13

415-18-21310

O-RING

SN: 70001-UP

1шт.

14

07000-13032

O-RING

SN: 70001-UP

1шт.

15

418-18-32191

HOSE, 790MM

SN: 70001-UP

1шт.

15

418-18-32510

HOSE,EMERGENCY

SN: 70001-UP

1шт.

16

415-18-11230

FLANGE

SN: 70001-UP

2шт.

17

07372-21245

BOLT

SN: 70001-UP

4шт.

17

20K-970-1150

BOLT,EMERGENCY

SN: 70001-UP

4шт.

18

209-62-64232

FLANGE

SN: 70001-UP

2шт.

19

07372-21240

BOLT

SN: 70001-UP

4шт.

20

01643-51232

WASHER

SN: 70001-UP

8шт.

21

07000-13035

O-RING

SN: 70001-UP

1шт.

22

418-18-32172

TUBE

SN: 70001-UP

1шт.

23

07372-21240

BOLT

SN: 70001-UP

4шт.

24

01643-51232

WASHER

SN: 70001-UP

4шт.

25

415-18-21310

O-RING

SN: 70001-UP

2шт.

26

418-18-32210

HOSE, 1230MM

SN: 70001-UP

1шт.

27

415-18-11230

FLANGE

SN: 70001-UP

4шт.

28

07372-21245

BOLT

SN: 70001-UP

8шт.

29

01643-51232

WASHER

SN: 70001-UP

8шт.

30

415-18-21310

O-RING

SN: 70001-UP

2шт.

31

418-18-32220

HOSE, 1070MM

SN: 70001-UP

1шт.

32

415-18-11230

FLANGE

SN: 70001-UP

4шт.

33

07372-21245

BOLT

SN: 70001-UP

8шт.

34

01643-51232

WASHER

SN: 70001-UP

8шт.

35

418-18-32181

PLATE

SN: 70001-UP

1шт.

36

01010-81020

BOLT

SN: 70001-UP

2шт.

37

01643-31032

WASHER

SN: 70001-UP

2шт.

38

07283-33450

CLIP

SN: 70001-UP

1шт.

39

07283-53444

SEAT

SN: 70001-UP

1шт.

40

01643-31032

WASHER

SN: 70001-UP

2шт.

41

01597-01009

NUT

SN: 70001-UP

2шт.

Выбрано товаров: 45