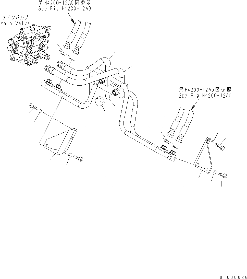
Запчасти Komatsu WA250PT-5 ГИДРОЛИНИЯ (ЛИНИЯ ГИДРОЦИЛИНДРА ПОДЪЕМА) H ГИДРАВЛИКА

Схема запчастей Komatsu WA250PT-5 - ГИДРОЛИНИЯ (ЛИНИЯ ГИДРОЦИЛИНДРА ПОДЪЕМА) H ГИДРАВЛИКА
10
10
11
7
2
1
4
3
5
6
7
6
5
9
8
11
FIT
1:1
100%

Артикул

Название

Примечание

Количество

1

418-T80-3750

TUBE

SN: H60051-UP

1шт.

2

418-T80-3761

TUBE

SN: H60051-UP

1шт.

3

418-62-31320

NUT

SN: H60051-UP

2шт.

4

11Y-62-11980

O-RING

SN: H60051-UP

2шт.

5

01010-81025

BOLT

SN: H60051-UP

4шт.

6

01643-31032

WASHER

SN: H60051-UP

4шт.

7

02896-11018

O-RING

SN: H60051-UP

4шт.

8

418-U77-3770

PLATE

SN: H60051-UP

1шт.

9

418-U77-3780

PLATE

SN: H60051-UP

1шт.

10

01010-81025

BOLT

SN: H60051-UP

4шт.

11

01643-31032

WASHER

SN: H60051-UP

4шт.

Выбрано товаров: 11