Запчасти Komatsu WA250PT-5 ГИДРОЛИНИЯ (ЛИНИЯ ГИДРОЦИЛИНДРА ПОДЪЕМА) (ДЛЯ E.C.S.S) H ГИДРАВЛИКА

Схема запчастей Komatsu WA250PT-5 - ГИДРОЛИНИЯ (ЛИНИЯ ГИДРОЦИЛИНДРА ПОДЪЕМА) (ДЛЯ E.C.S.S) H ГИДРАВЛИКА
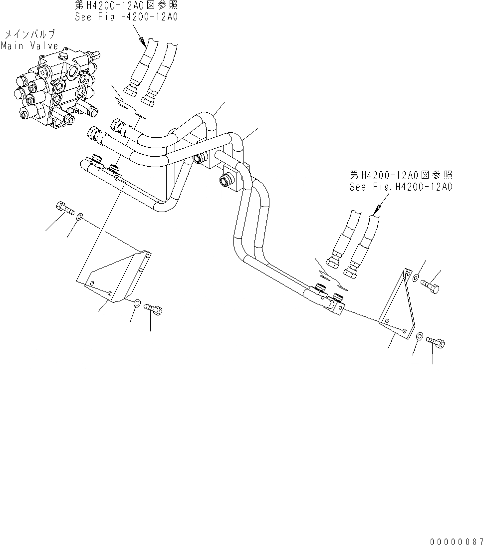
1
5
2
3
4
5
4
3
7
9
8
6
9
8
FIT
1:1
100%

Артикул

Название

Примечание

Количество

1

418-T80-3750

TUBE

SN: H60051-UP

1шт.

2

418-T80-3761

TUBE

SN: H60051-UP

1шт.

3

01010-81025

BOLT

SN: H60051-UP

4шт.

4

01643-31032

WASHER

SN: H60051-UP

4шт.

5

02896-11018

O-RING

SN: H60051-UP

4шт.

6

418-U77-3770

PLATE

SN: H60051-UP

1шт.

7

418-U77-3780

PLATE

SN: H60051-UP

1шт.

8

01010-81025

BOLT

SN: H60051-UP

4шт.

9

01643-31032

WASHER

SN: H60051-UP

4шт.

Выбрано товаров: 9