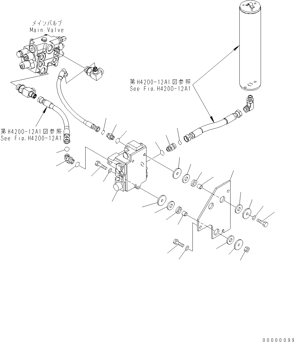
Запчасти Komatsu WA250PT-5 ГИДРОЛИНИЯ (E.C.S.S КЛАПАН) H ГИДРАВЛИКА

Схема запчастей Komatsu WA250PT-5 - ГИДРОЛИНИЯ (E.C.S.S КЛАПАН) H ГИДРАВЛИКА
19
15
13
14
12
10
17
16
18
21
20
6
7
2
8
9
3
5
7
6
5
1
6
4
7
8
9
7
11
6
FIT
1:1
100%

Артикул

Название

Примечание

Количество

1

421-S99-3450

VALVE

SN: H60051-UP

1шт.

2

418-S99-3141

BRACKET

SN: H60051-UP

1шт.

3

01010-81275

BOLT

SN: H60051-UP

1шт.

4

01010-81250

BOLT

SN: H60051-UP

2шт.

5

01643-31232

WASHER

SN: H60051-UP

3шт.

6

418-54-13220

WASHER

SN: H60051-UP

6шт.

7

418-54-13151

CUSHION

SN: H60051-UP

6шт.

8

418-54-13161

CUSHION

SN: H60051-UP

3шт.

9

428-64-15110

COLLAR

SN: H60051-UP

3шт.

10

01580-11210

NUT

SN: H60051-UP

1шт.

11

01010-81230

BOLT

SN: H60051-UP

3шт.

12

01643-31232

WASHER

SN: H60051-UP

3шт.

13

02781-00628

UNION

SN: H60051-UP

1шт.

14

07002-12434

O-RING

SN: H60051-UP

1шт.

15

02896-11018

O-RING

SN: H60051-UP

1шт.

16

02783-10522

ELBOW

SN: H60051-UP

1шт.

17

07002-12434

O-RING

SN: H60051-UP

1шт.

18

02896-11015

O-RING

SN: H60051-UP

1шт.

19

02781-00422

UNION

SN: H60051-UP

1шт.

20

07002-12034

O-RING

SN: H60051-UP

1шт.

21

02896-11012

O-RING

SN: H60051-UP

1шт.

Выбрано товаров: 21