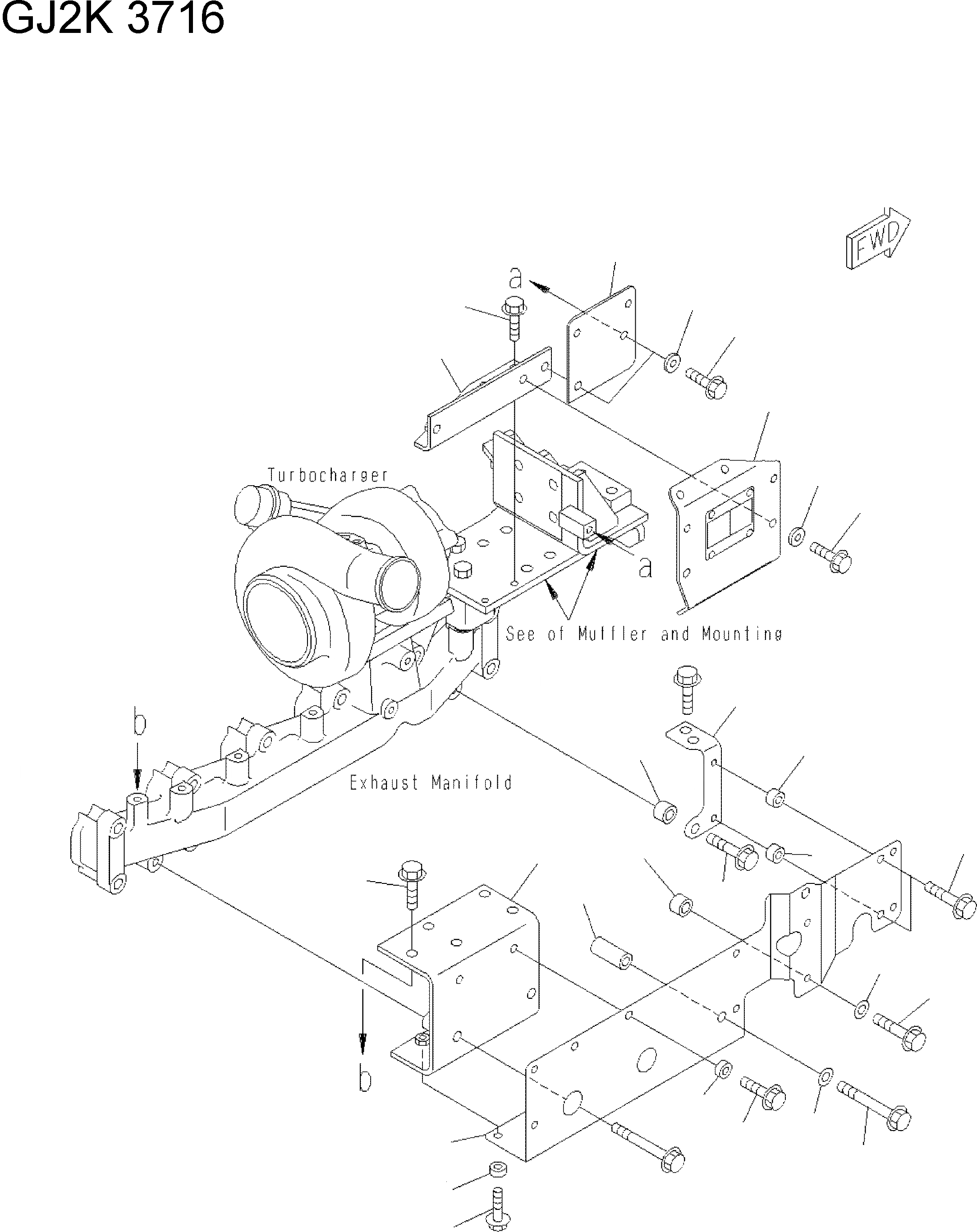
Запчасти Komatsu WA250PT-5 ТЕРМОЗАЩИТА AA ДВИГАТЕЛЬ

Схема запчастей Komatsu WA250PT-5 - ТЕРМОЗАЩИТА AA ДВИГАТЕЛЬ
18
21
16
20
21
12
6
2
17
20
19
3
11
10
8
1
11
13
15
9
14
15
5
4
7
14
5
FIT
1:1
100%

Артикул

Название

Примечание

Количество

1

6738-81-8430

BRACKET

SN: 26302312-UP

1шт.

2

01435-01020

BOLT

SN: 26302312-UP

1шт.

3

6735-81-8710

COVERING

SN: 26302312-UP

1шт.

4

6738-81-8140

COVER

SN: 26302312-UP

1шт.

5

01435-00820

BOLT

SN: 26302312-UP

4шт.

6

6134-11-5120

DISTANCE PIECE

SN: 26302312-UP

1шт.

7

01435-01065

BOLT

SN: 26302312-UP

1шт.

8

6206-11-4590

DISTANCE PIECE

SN: 26302312-UP

1шт.

9

01435-01030

BOLT

SN: 26302312-UP

1шт.

10

6206-11-4590

DISTANCE PIECE

SN: 26302312-UP

1шт.

11

6204-81-6740

SPACER

SN: 26302312-UP

2шт.

12

01435-00830

BOLT

SN: 26302312-UP

1шт.

13

01435-01040

BOLT

SN: 26302312-UP

1шт.

14

154-61-16570

WASHER

SN: 26302312-UP

6шт.

15

01643-31032

WASHER

SN: 26302312-UP

2шт.

16

6737-81-8241

COVERING

SN: 26302312-UP

1шт.

17

6738-81-8540

COVER

SN: 26302312-UP

1шт.

18

6738-81-8461

BRACKET

SN: 26302312-UP

1шт.

19

01435-00816

BOLT

SN: 26302312-UP

2шт.

20

154-61-16570

WASHER

SN: 26302312-UP

4шт.

21

01435-00820

BOLT

SN: 26302312-UP

4шт.

Выбрано товаров: 21