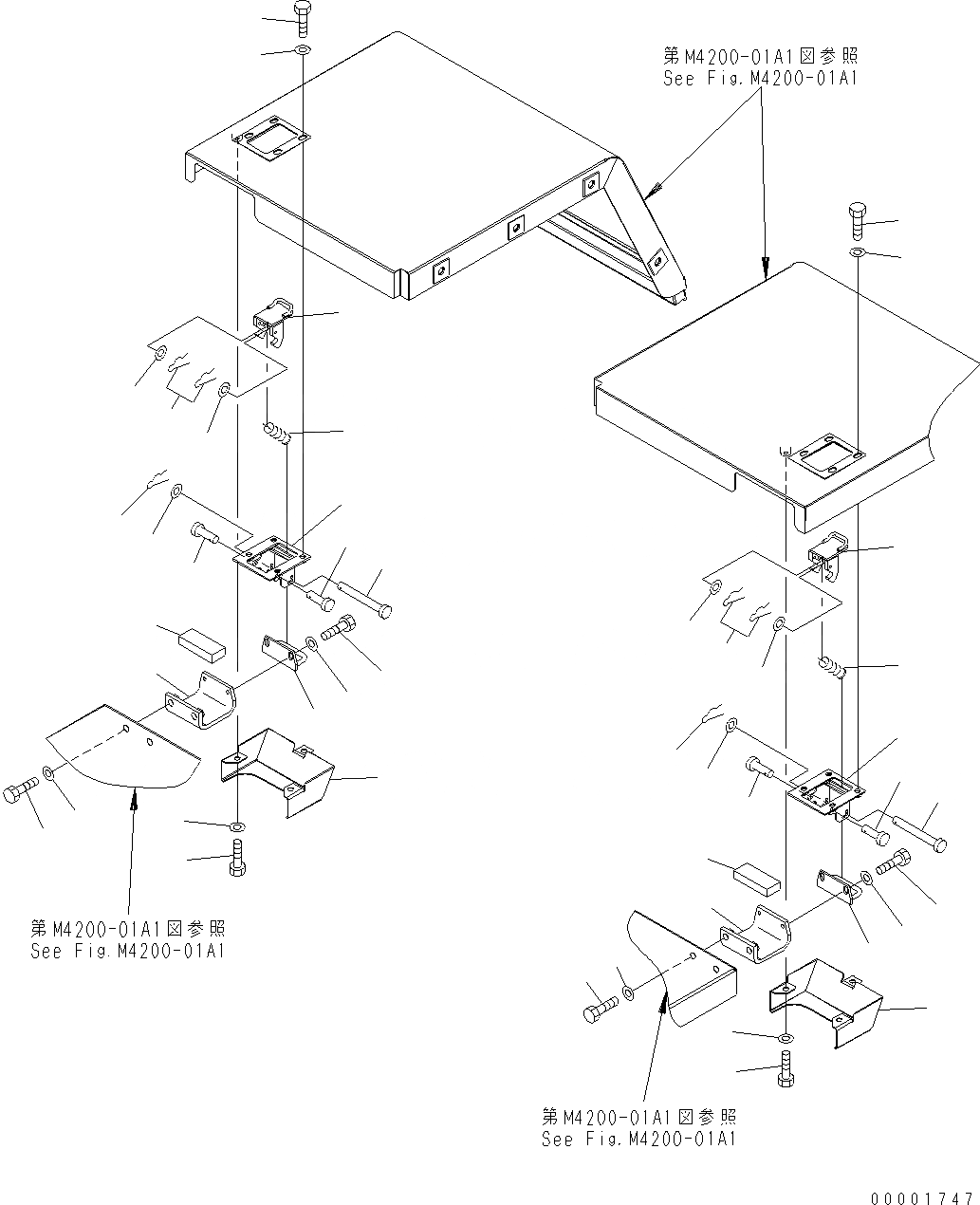
Запчасти Komatsu WA250PT-5 ЗАДН. КРЫЛО (КРЮК И DOVETAIL) M ЧАСТИ КОРПУСА

Схема запчастей Komatsu WA250PT-5 - ЗАДН. КРЫЛО (КРЮК И DOVETAIL) M ЧАСТИ КОРПУСА
12
22
17
14
13
19
18
10
16
15
14
23
15
16
15
12
15
16
15
17
14
13
16
15
14
19
18
22
23
21
9
8
20
21
5
7
11
2
6
1
20
4
3
5
7
6
FIT
1:1
100%

Артикул

Название

Примечание

Количество

1

418-54-34611

BRACKET

SN: H60051-UP

1шт.

2

418-54-34631

CUSHION

SN: H60051-UP

1шт.

3

01010-81230

BOLT

SN: H60051-UP

2шт.

4

01643-31232

WASHER

SN: H60051-UP

2шт.

5

418-54-34170

COVER

SN: H60051-UP

2шт.

6

01010-81016

BOLT

SN: H60051-UP

6шт.

7

01643-31032

WASHER

SN: H60051-UP

6шт.

8

418-54-34611

BRACKET

SN: H60051-UP

1шт.

9

418-54-34631

CUSHION

SN: H60051-UP

1шт.

10

01010-81230

BOLT

SN: H60051-UP

2шт.

11

01643-31232

WASHER

SN: H60051-UP

2шт.

12

417-54-24630

LATCH

SN: H60051-UP

2шт.

13

415-54-11630

PIN

SN: H60051-UP

2шт.

14

04205-10622

PIN

SN: H60051-UP

4шт.

15

01641-20608

WASHER

SN: H60051-UP

6шт.

16

04052-10633

PIN

SN: H60051-UP

6шт.

17

417-54-24610

SPRING

SN: H60051-UP

2шт.

18

418-54-34621

STRIKER

SN: H60051-UP

2шт.

19

01010-81020

BOLT

SN: H60051-UP

4шт.

20

01643-31032

WASHER

SN: H60051-UP

4шт.

21

418-54-34181

BRACKET

SN: H60051-UP

2шт.

22

01010-81020

BOLT

SN: H60051-UP

8шт.

23

01643-31032

WASHER

SN: H60051-UP

8шт.

Выбрано товаров: 23