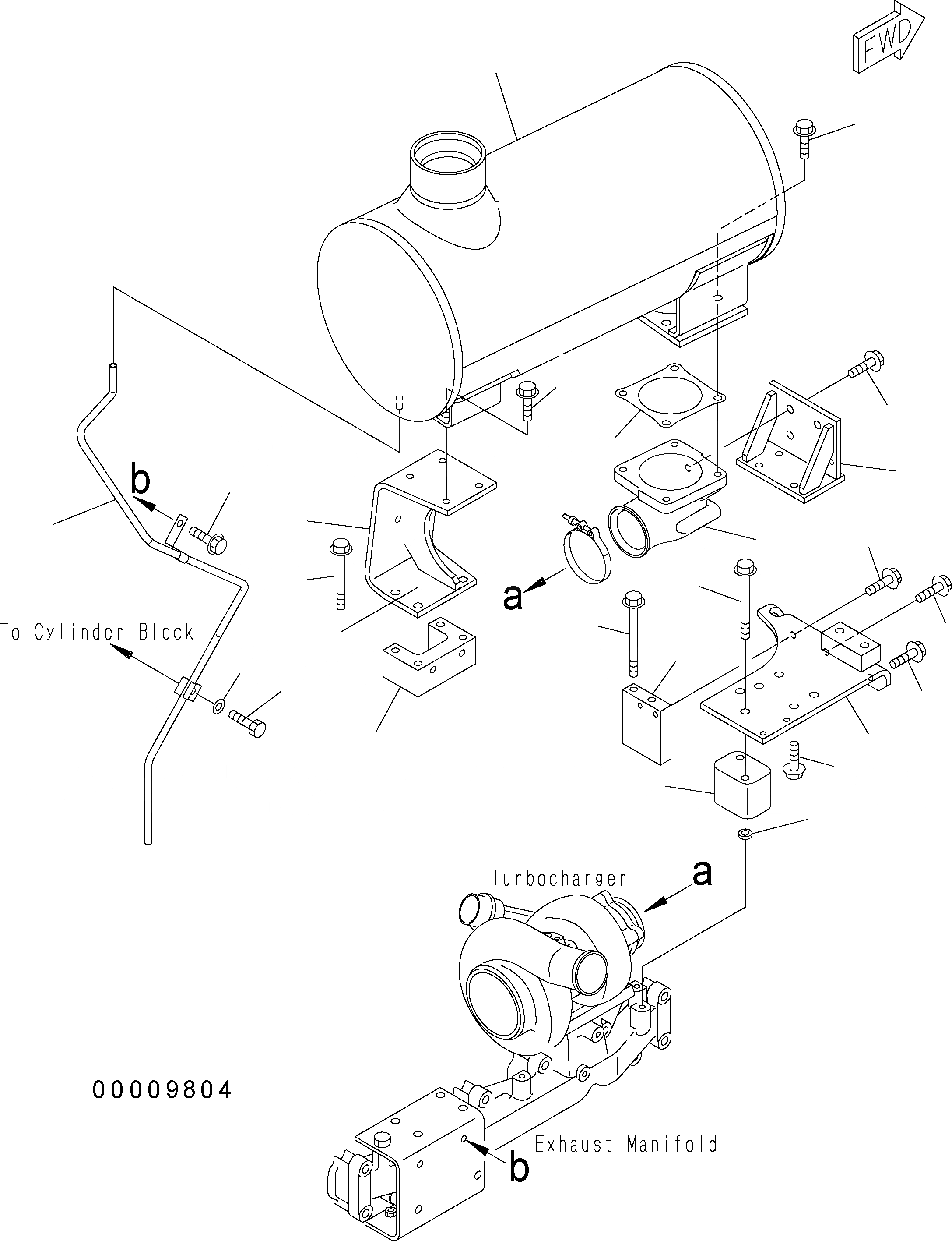
Запчасти Komatsu WA250PT-5 ГЛУШИТЕЛЬ И КРЕПЛЕНИЕ (8 - ) AA ДВИГАТЕЛЬ

Схема запчастей Komatsu WA250PT-5 - ГЛУШИТЕЛЬ И КРЕПЛЕНИЕ (8 - ) AA ДВИГАТЕЛЬ
1
3
22
6
2
18
5
21
13
4
17
24
8
14
10
12
20
19
11
23
7
9
16
15
FIT
1:1
100%

Артикул

Название

Примечание

Количество

1

6738-11-5542

MUFFLER

SN: 26302312-UP

1шт.

2

6150-11-5710

GASKET

SN: 26302312-UP

1шт.

3

01435-01025

BOLT

SN: 26302312-UP

4шт.

4

6738-11-5611

ELBOW

SN: 26302312-UP

1шт.

5

6738-11-5710

BRACKET

SN: 26302312-UP

1шт.

6

01435-01020

BOLT

SN: 26302312-UP

4шт.

7

6738-11-5730

BRACKET

SN: 26302312-UP

1шт.

8

01435-01085

BOLT

SN: 26302312-UP

2шт.

9

01435-01020

BOLT

SN: 26302312-UP

2шт.

10

01435-00820

BOLT

SN: 26302312-UP

1шт.

11

01435-00830

BOLT

SN: 26302312-UP

1шт.

12

6738-11-5440

SPACER

SN: 26302312-UP

1шт.

13

01435-00825

BOLT

SN: 26302312-UP

2шт.

14

6202-81-6821

BOLT

SN: 26302312-UP

2шт.

15

209-62-11810

SPACER

SN: 26302312-UP

1шт.

16

6738-11-5360

SPACER

SN: 26302312-UP

1шт.

17

6738-11-5411

TUBE

SN: 26302312-UP

1шт.

18

01435-00820

BOLT

SN: 26302312-UP

1шт.

19

01010-81225

BOLT

SN: 26302312-UP

1шт.

20

01643-31232

WASHER

SN: 26302312-UP

1шт.

21

6738-11-5351

BRACKET

SN: 26302312-UP

1шт.

22

01435-01020

BOLT

SN: 26302312-UP

4шт.

23

6738-11-5371

SPACER

SN: 26302312-UP

1шт.

24

01435-01070

BOLT

SN: 26302312-UP

4шт.

Выбрано товаров: 24