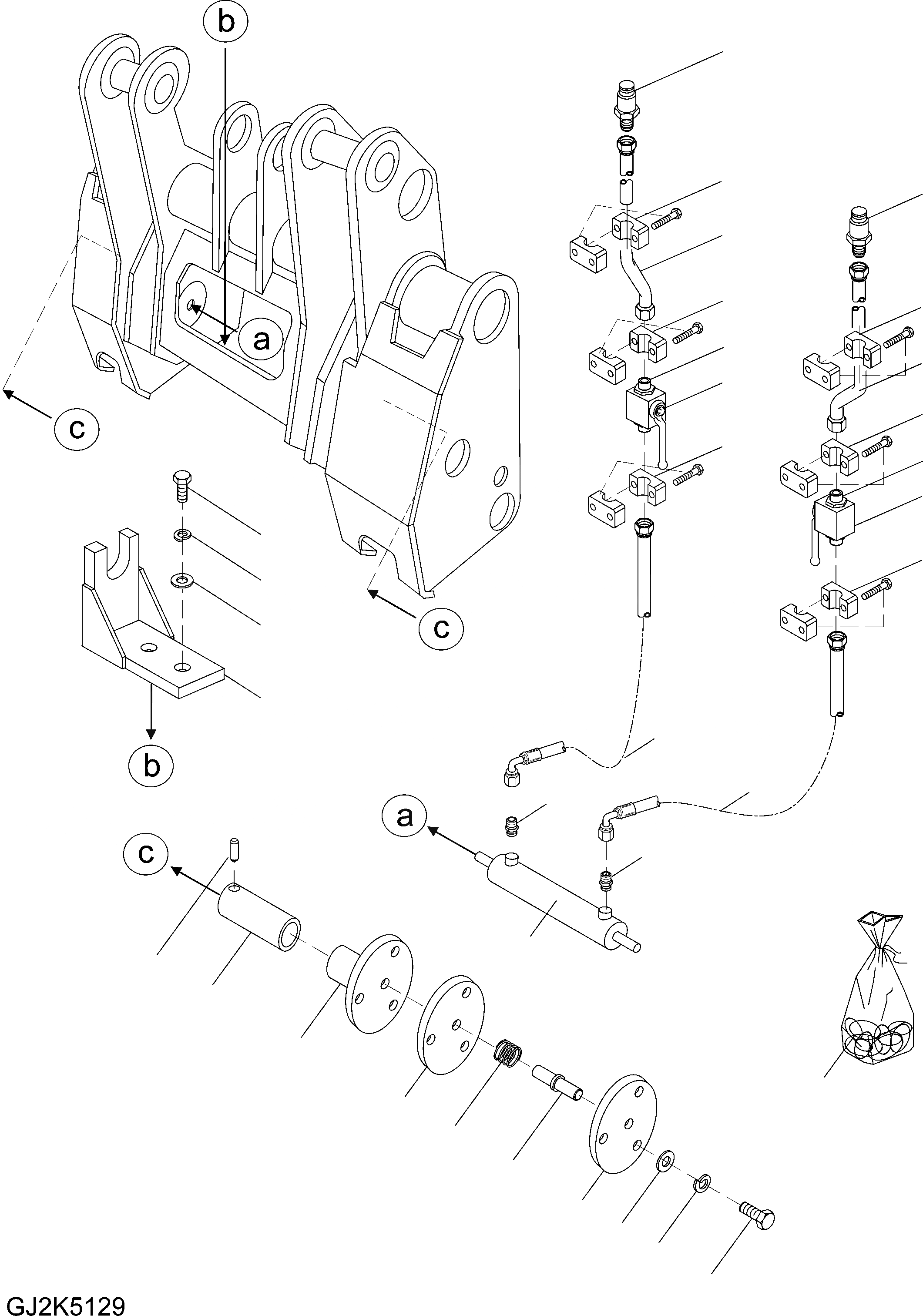
Запчасти Komatsu WA250PT-5 БЫСТРОСЪЕМН. МЕХ-М (CAT COMPATIBLE) (ВНУТР. ЧАСТИ) T РАБОЧЕЕ ОБОРУДОВАНИЕ

Схема запчастей Komatsu WA250PT-5 - БЫСТРОСЪЕМН. МЕХ-М (CAT COMPATIBLE) (ВНУТР. ЧАСТИ) T РАБОЧЕЕ ОБОРУДОВАНИЕ
16
20
16
21
20
20
19
21
18
20
17
19
18
11
17
2
3
12
22
22
15
15
13
10
9
8
14
7
6
5
4
3
2
1
FIT
1:1
100%

Артикул

Название

Примечание

Количество

|$1

418-T80-H380

LINK ASSEMBLY

SN: H60051-UP

1шт.

1

418-09-H0570

BOLT

SN: H60051-UP

6шт.

2

418-09-H0580

SPRING RING

SN: H60051-UP

8шт.

3

01642-21216

WASHER

SN: H60051-UP

8шт.

4

42Y-71-H0P81

CONNECTOR

SN: H60051-UP

2шт.

5

42Y-71-H0P80

PIN

SN: H60051-UP

2шт.

6

42Y-71-H0P79

SPRING

SN: H60051-UP

2шт.

7

42Y-71-H0P78

RING

SN: H60051-UP

2шт.

8

42Y-71-H0P77

CONNECTOR

SN: H60051-UP

2шт.

9

42Y-71-H0P76

LOCK BOLT

SN: H60051-UP

2шт.

10

418-09-H0590

DOWEL

SN: H60051-UP

2шт.

11

01010-61230

BOLT

SN: H60051-UP

2шт.

12

42Y-71-H0P75

PLATE

SN: H60051-UP

1шт.

13

42Y-71-H0R65

HYDRAULIC CYLINDER

SN: H60051-UP

1шт.

14

42Y-71-H0R66

PACKING KIT

SN: H60051-UP

1шт.

15

42Y-71-H0P84

UNION

SN: H60051-UP

2шт.

16

42Y-71-H0P05

PLUG

SN: H60051-UP

2шт.

17

423-71-H0P35

CLAMP

SN: H60051-UP

2шт.

18

42Y-72-H0P06

BALL VALVE

SN: H60051-UP

2шт.

19

42Y-71-H0R67

REDUCTION

SN: H60051-UP

4шт.

20

42U-70-H0P23

CLAM

SN: H60051-UP

4шт.

21

42Y-71-H0R69

HYDRAULIC TUBE

SN: H60051-UP

2шт.

22

42Y-71-H0R68

PRESSURE HOSE

SN: H60051-UP

2шт.

Выбрано товаров: 23