Запчасти Komatsu WA250PT-5 МОТОР (/7) (С ORIFICE) Y ОСНОВН. КОМПОНЕНТЫ И РЕМКОМПЛЕКТЫ

Схема запчастей Komatsu WA250PT-5 - МОТОР (/7) (С ORIFICE) Y ОСНОВН. КОМПОНЕНТЫ И РЕМКОМПЛЕКТЫ
1
3
2
FIT
1:1
100%

Артикул

Название

Примечание

Количество

|$1

THE UCHIDA YUATSU PART NUMBER IS THAT UC IS REMOVED FROM KOMATSU PART NUMBER LISTED BELOW.

-1шт.

|$2

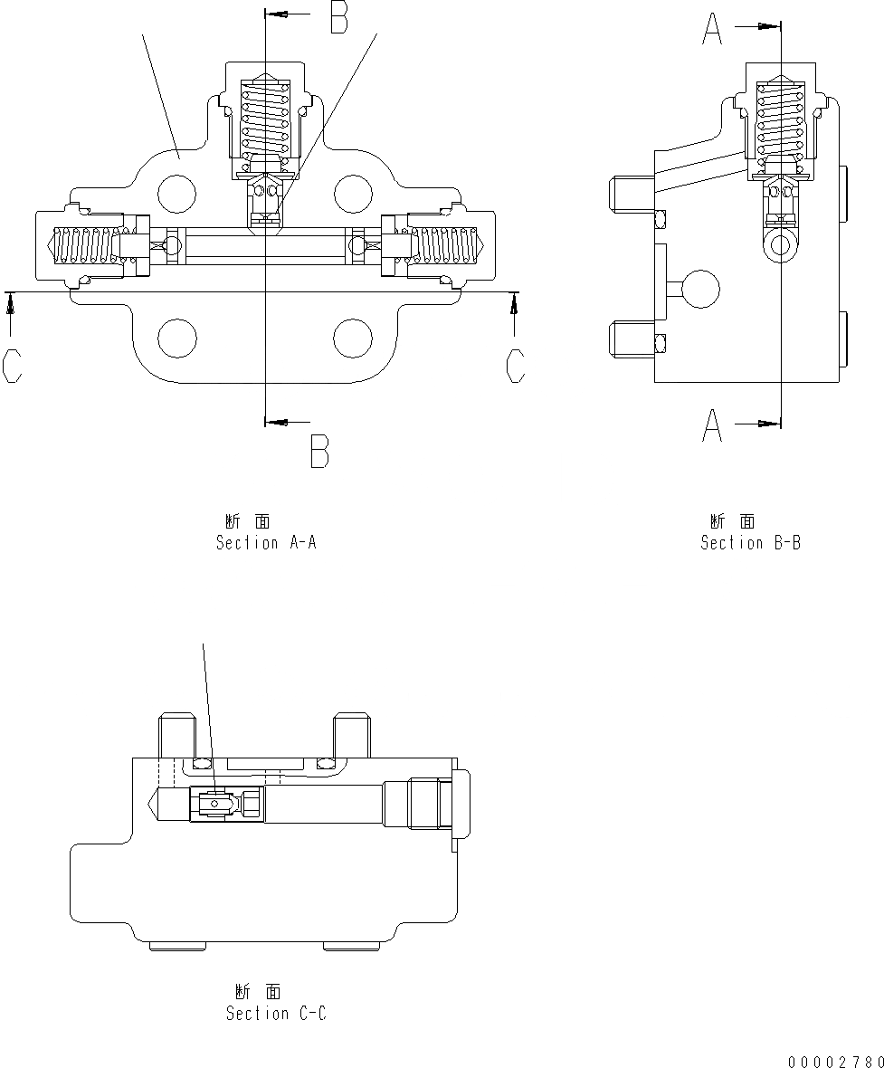
UC4706037627

FLASHING VALVE

SN: H60051-UP

1шт.

1

UC4706138362

FLASHING VALVE

SN: H60051-UP

1шт.

2

UC4704466252

ORIFICE

SN: H60051-UP

1шт.

3

UC4704475917

ORIFICE

SN: H60051-UP

1шт.

Выбрано товаров: 5