Запчасти Komatsu WA250PT-5L УПРАВЛ-Е ТОРМОЗОМ (ТОРМОЗНАЯ ГИДРОЛИНИЯ И МОТОР ВЕНТИЛЯТОРА ЛИНИЯ) КАБИНА ОПЕРАТОРА И СИСТЕМА УПРАВЛЕНИЯ

Схема запчастей Komatsu WA250PT-5L - УПРАВЛ-Е ТОРМОЗОМ (ТОРМОЗНАЯ ГИДРОЛИНИЯ И МОТОР ВЕНТИЛЯТОРА ЛИНИЯ) КАБИНА ОПЕРАТОРА И СИСТЕМА УПРАВЛЕНИЯ
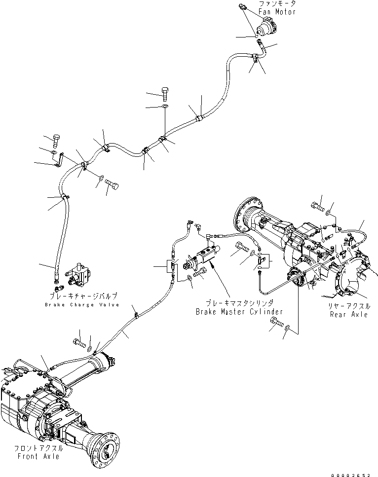
1
2
2
2
3
3
4
4
5
5
6
7
7
8
8
9
9
9
10
10
10
11
12
13
14
14
15
15
15
16
16
16
17
18
18
18
18
18
18
18
19
19
19
19
19
19
19
20
FIT
1:1
100%

Артикул

Название

Примечание

Количество

1

418-43-37161

JOINT

SN: A79001-UP

1шт.

2

02896-11008

O-RING

SN: A79001-UP

4шт.

3

01010-81020

BOLT

SN: A79001-UP

3шт.

4

01643-31032

WASHER

SN: A79001-UP

3шт.

5

04434-51210

CLIP

SN: A79001-UP

2шт.

6

418-43-37560

HOSE

SN: A79001-UP

1шт.

7

418-43-37161

JOINT

SN: A79001-UP

2шт.

8

02896-11008

O-RING

SN: A79001-UP

4шт.

9

01643-31032

WASHER

SN: A79001-UP

3шт.

10

01010-81020

BOLT

SN: A79001-UP

3шт.

11

04434-51010

CLIP

SN: A79001-UP

1шт.

12

418-43-37172

TUBE

SN: A79001-UP

1шт.

13

418-43-37370

HOSE, 600MM

SN: A79001-UP

1шт.

14

418-03-33313

HOSE

SN: A79001-UP

1шт.

15

01010-81020

BOLT

SN: A79001-UP

6шт.

16

01643-31032

WASHER

SN: A79001-UP

6шт.

17

209-979-6220

BRACKET

SN: A79001-UP

1шт.

18

04434-52711

CLIP

SN: A79001-UP

7шт.

19

07095-20420

CUSHION

SN: A79001-UP

7шт.

20

02896-11012

O-RING

SN: A79001-UP

1шт.

Выбрано товаров: 20