Запчасти Komatsu WA250PT-5L КОРПУС ПЕРЕДАЧИ ТРАНСМИССИЯ

Схема запчастей Komatsu WA250PT-5L - КОРПУС ПЕРЕДАЧИ ТРАНСМИССИЯ
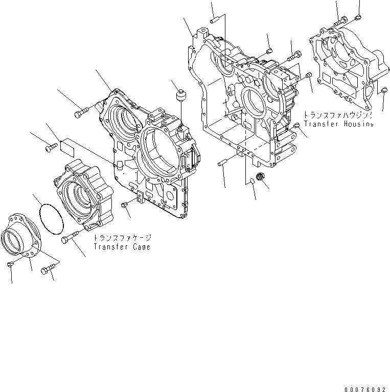
1
2
3
3
4
4
5
6
7
8
9
10
11
12
13
14
14
14
14
14
15
16
17
FIT
1:1
100%

Артикул

Название

Примечание

Количество

|$1

418-17-31004

TRANSFER ASS'Y

SN: A79001-UP

1шт.

|$5

418-17-31105

CASE ASS'Y

SN: A79001-UP

1шт.

1

418-17-31114

CASE,FRONT

SN: A79001-UP

1шт.

2

418-17-31124

CASE,REAR

SN: A79001-UP

1шт.

3

01010-81235

BOLT

SN: A79001-UP

20шт.

4

04020-01228

PIN

SN: A79001-UP

2шт.

5

07043-A0211

PLUG

SN: A79001-UP

2шт.

6

07044-12412

PLUG

SN: A79001-UP

1шт.

7

07002-12434

O-RING

SN: A79001-UP

1шт.

8

07030-00252

BREATHER

SN: A79001-UP

1шт.

9

418-17-31132

CAGE

SN: A79001-UP

1шт.

10

01010-81235

BOLT

SN: A79001-UP

6шт.

11

07000-75130

O-RING

SN: A79001-UP

1шт.

12

09608-05080

PLATE, NAME

SN: A79001-UP

1шт.

13

04418-13060

SCREW

SN: A79001-UP

4шт.

14

07049-01215

PLUG

SN: A79001-UP

9шт.

15

07049-01620

PLUG

SN: A79001-UP

1шт.

16

BOLT,(SEE FIG. F2420-52A0)

SN: A79001-UP

-1шт.

17

BOLT,(SEE FIG. F2420-54A0)

SN: A79001-UP

-1шт.

Выбрано товаров: 19