Качественные детали и логистика
Оригинальные и аналоговые запчасти с доставкой по России, Казахстану и Беларуси
©2022 PartSell ООО "Система" ИНН 2463123282 ОГРН 1212400004838
Центральный офис: г. Красноярск, Академика Киренского, д.87, пом.4
Телефон: 8 (800) 777-65-74 Email: zakaz@partsell.ru
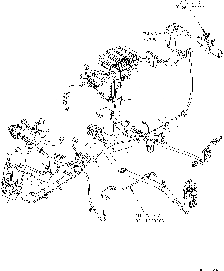
ПОЛ (ОМЫВАТЕЛЬ ШЛАНГИ)(№7-789)
№
Артикул
Название
Примечание
Количество
1
418-07-36111
HOSE, 2800MM
SN: 70001-72607
1шт.
2
418-07-36140
HOSE, 1700MM
3
421-07-15110
JOINT
SN: 70001-@
2шт.
4
08034-40521
BAND
12шт.
5
421-54-15520
CLIP
Выбрано товаров: 0