Запчасти Komatsu WA250PTL-5 ЗАДН. Э/ПРОВОДКА (/) (РЕЛЕ¤ ПРЕДОХРАНИТЕЛЬ И SUB Э/ПРОВОДКА) ЭЛЕКТРИКА

Схема запчастей Komatsu WA250PTL-5 - ЗАДН. Э/ПРОВОДКА (/) (РЕЛЕ¤ ПРЕДОХРАНИТЕЛЬ И SUB Э/ПРОВОДКА) ЭЛЕКТРИКА
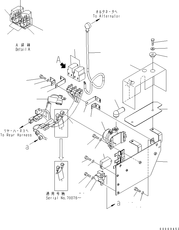
1
2
3
4
5
6
7
8
8
9
9
10
10
11
11
12
13
14
15
16
17
18
19
20
21
22
22
23
23
24
25
26
26
27
27
28
FIT
1:1
100%

Артикул

Название

Примечание

Количество

1

08088-30000

SWITCH

SN: 70001-UP

1шт.

2

600-815-9270

TIMER

SN: 70001-UP

1шт.

3

600-815-7870

RELAY

SN: 70001-UP

1шт.

4

01010-80830

BOLT

SN: 70001-UP

2шт.

5

01643-30823

WASHER

SN: 70001-UP

2шт.

6

421-06-22830

FUSE, 120A

SN: 70001-UP

1шт.

7

421-06-22820

FUSE, 80A

SN: 70001-UP

1шт.

8

421-06-22840

FUSE, 30A

SN: 70001-UP

2шт.

9

421-06-22990

BOLT

SN: 70001-UP

8шт.

10

421-06-22910

BRACKET

SN: 70001-UP

2шт.

11

421-06-22920

BRACKET

SN: 70001-UP

2шт.

12

01010-80820

BOLT

SN: 70001-UP

1шт.

13

01643-30823

WASHER

SN: 70001-UP

1шт.

14

418-06-32414

BRACKET

SN: 70001-UP

1шт.

15

01010-81025

BOLT

SN: 70001-UP

2шт.

16

01643-31032

WASHER

SN: 70001-UP

2шт.

17

418-06-31591

COVER

SN: 70001-UP

1шт.

18

01010-80825

BOLT

SN: 72636-UP

2шт.

18

01010-80816

BOLT

SN: 70001-72635

2шт.

19

418-06-31790

SHEET

SN: 72636-UP

1шт.

20

154-61-16570

WASHER

SN: 72636-UP

2шт.

20

01643-30823

WASHER

SN: 70001-72635

2шт.

21

203-54-55660

COLLAR

SN: 72636-UP

2шт.

22

01010-80616

BOLT

SN: 70001-UP

4шт.

23

01643-30623

WASHER

SN: 70001-UP

4шт.

24

419-06-32332

WIRING HARNESS

SN: 70001-UP

1шт.

25

418-06-32261

WIRE

SN: 70001-UP

1шт.

26

08038-06031

CAP

SN: 70001-UP

2шт.

27

08038-00519

CAP

SN: 70076-UP

2шт.

27

08038-00519

CAP

SN: 70001-70075

4шт.

28

08038-00518

CAP

SN: 70076-UP

2шт.

Выбрано товаров: 0