Запчасти Komatsu WA250PTL-5 ГИДРОЛИНИЯ (E.C.S.S КЛАПАН) ГИДРАВЛИКА

Схема запчастей Komatsu WA250PTL-5 - ГИДРОЛИНИЯ (E.C.S.S КЛАПАН) ГИДРАВЛИКА
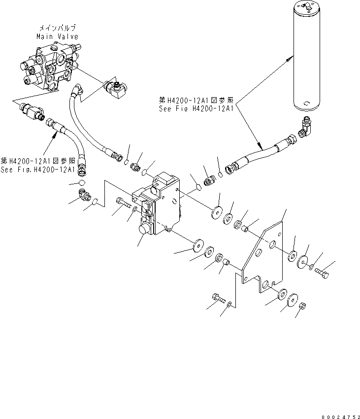
1
2
3
4
5
6
7
7
7
7
8
8
8
8
9
9
10
10
11
12
13
14
15
16
17
18
19
20
21
22
FIT
1:1
100%

Артикул

Название

Примечание

Количество

1

421-S99-3450

VALVE ASS'Y

SN: 70001-UP

1шт.

2

418-S99-3141

BRACKET

SN: 70001-UP

1шт.

3

01010-81275

BOLT

SN: 70001-UP

1шт.

4

01643-31232

WASHER

SN: 70001-UP

1шт.

5

01010-81250

BOLT

SN: 70001-UP

2шт.

6

01643-31232

WASHER

SN: 70001-UP

2шт.

7

418-54-13220

WASHER

SN: 70001-UP

6шт.

8

418-54-13151

CUSHION

SN: 70001-UP

6шт.

9

418-54-13161

CUSHION

SN: 70001-UP

3шт.

10

428-64-15110

COLLAR

SN: 70001-UP

3шт.

11

01580-11210

NUT

SN: 70001-UP

1шт.

12

01010-81230

BOLT

SN: 70001-UP

3шт.

13

01643-31232

WASHER

SN: 70001-UP

3шт.

14

02781-00628

UNION

SN: 70001-UP

1шт.

15

07002-12434

O-RING

SN: 70001-UP

1шт.

16

02896-11018

O-RING

SN: 70001-UP

1шт.

17

02783-10522

ELBOW

SN: 70001-UP

1шт.

18

07002-12434

O-RING

SN: 70001-UP

1шт.

19

02896-11015

O-RING

SN: 70001-UP

1шт.

20

02781-00422

UNION

SN: 70001-UP

1шт.

21

07002-12034

O-RING

SN: 70001-UP

1шт.

22

02896-11012

O-RING

SN: 70001-UP

1шт.

Выбрано товаров: 0