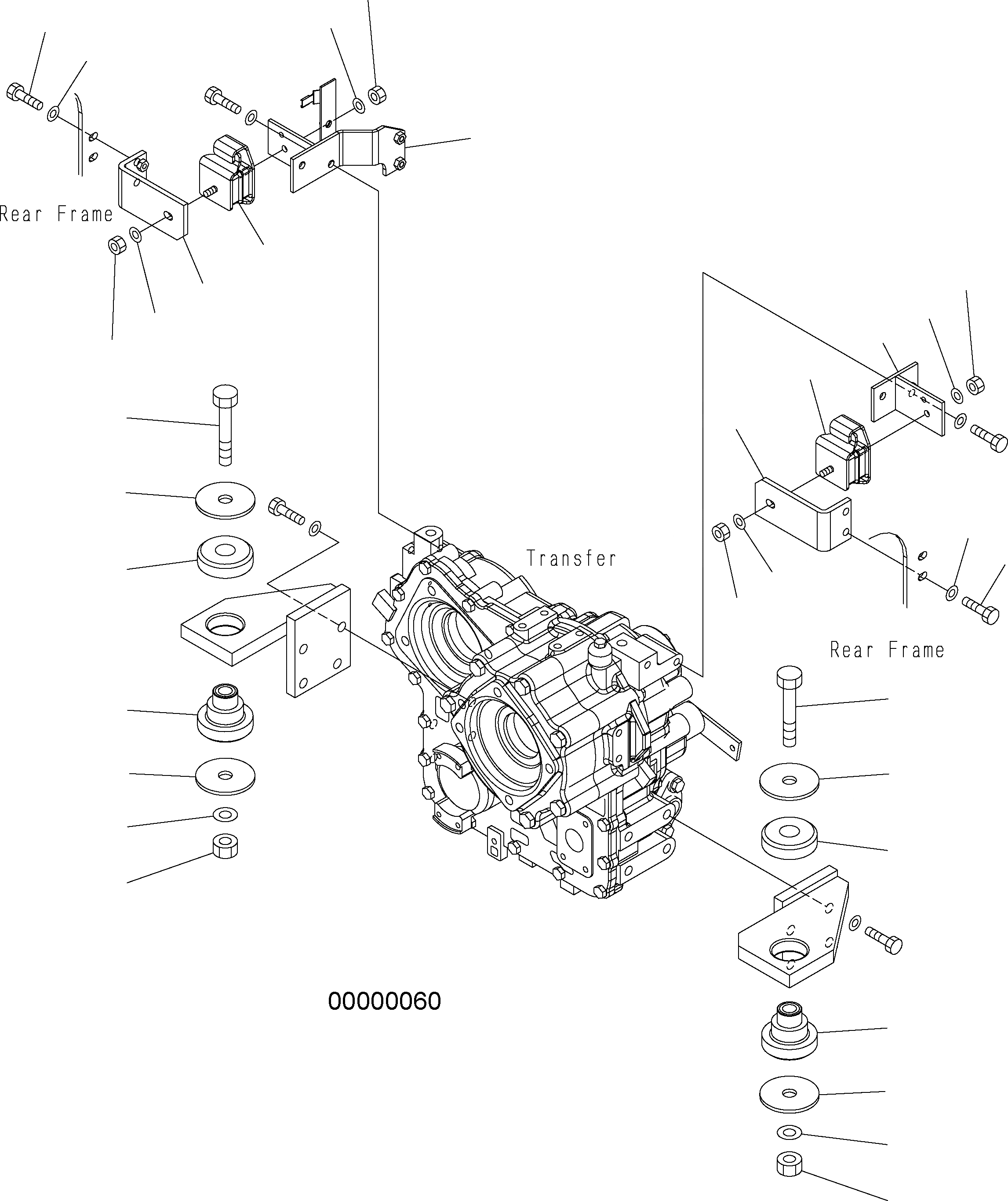
Запчасти Komatsu WA250PZ-5 ПЕРЕДАЧА КРЕПЛЕНИЕ F ТРАНСМИССИЯ

Схема запчастей Komatsu WA250PZ-5 - ПЕРЕДАЧА КРЕПЛЕНИЕ F ТРАНСМИССИЯ
11
12
13
14
1
10
11
2
12
3
12
11
10
2
6
7
14
13
4
12
11
6
4
7
5
9
4
8
4
5
9
8
FIT
1:1
100%

Артикул

Название

Примечание

Количество

1

418-14-31126

BRACKET

SN: H50226-UP

1шт.

|$2

418-14-31123

BRACKET

SN: H50051-H50225

1шт.

2

418-14-31132

PLATE

SN: H50051-UP

2шт.

3

418-14-31152

BRACKET

SN: H50226-UP

1шт.

|$5

418-14-31151

BRACKET

SN: H50051-H50225

1шт.

4

418-01-11112

CUSHION ASSEMBLY

SN: H50051-UP

2шт.

5

419-01-11162

WASHER

SN: H50051-UP

2шт.

6

01011-62220

BOLT

SN: H50051-UP

2шт.

7

419-01-11162

WASHER

SN: H50051-UP

2шт.

8

01580-02218

NUT

SN: H50051-UP

2шт.

9

01643-32260

WASHER

SN: H50051-UP

2шт.

10

20S-01-71331

CUSHION

SN: H50051-UP

2шт.

11

01580-11008

NUT

SN: H50051-UP

4шт.

12

01643-31032

WASHER

SN: H50051-UP

4шт.

13

01016-51030

BOLT

SN: H50051-UP

4шт.

14

01643-31032

WASHER

SN: H50051-UP

4шт.

Выбрано товаров: 0