Запчасти Komatsu WA250PZ-5 ЗАДН. МОСТ (STD И LSD - КРЫШКАAND ТОРМОЗ.) F ТРАНСМИССИЯ

Схема запчастей Komatsu WA250PZ-5 - ЗАДН. МОСТ (STD И LSD - КРЫШКАAND ТОРМОЗ.) F ТРАНСМИССИЯ
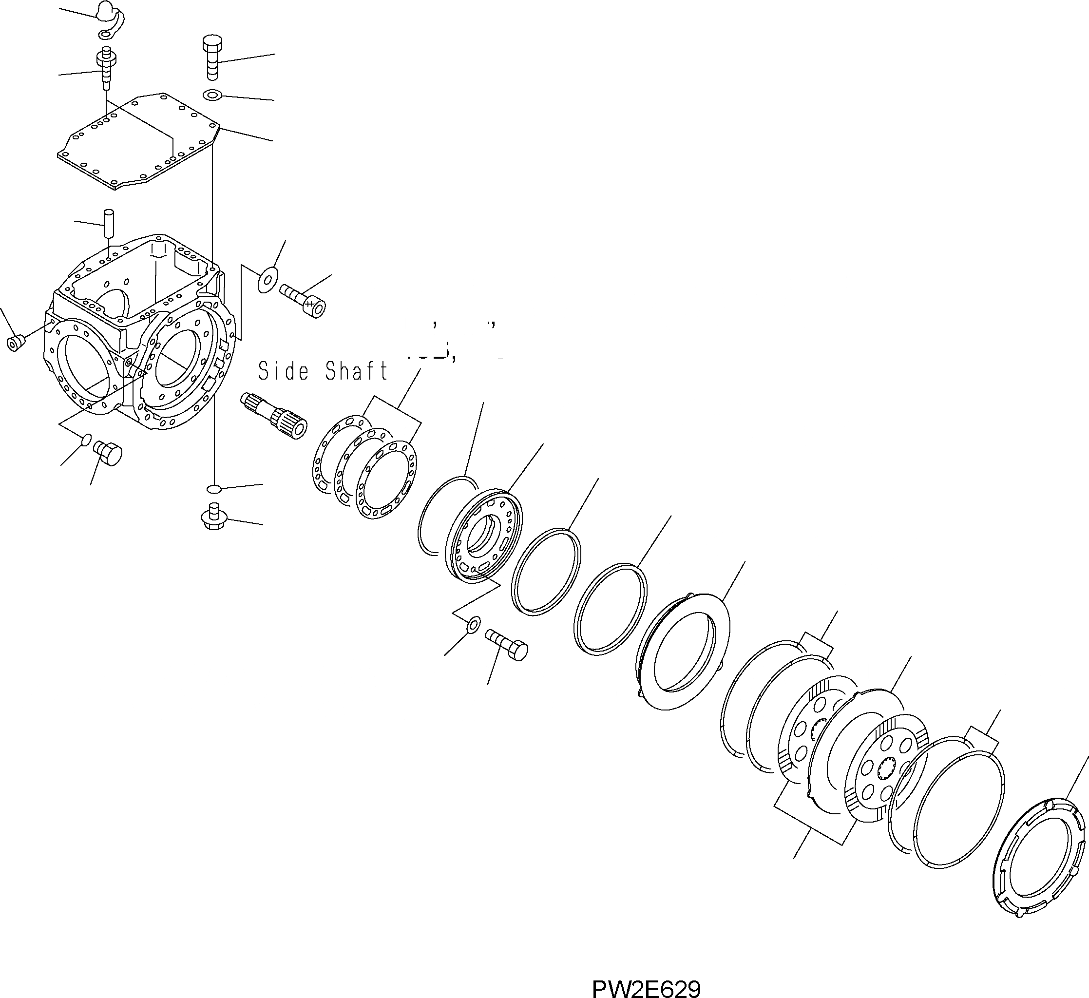
5
13A
13B
10
13C
4
11
8
9
25
24
3
13
14
12
17
7
2
21
6
1
20
23
22
16
23
15
18
19
FIT
1:1
100%

Артикул

Название

Примечание

Количество

1

07044-13620

PLUG

SN: H50051-UP

1шт.

2

07002-13634

O-RING

SN: H50051-UP

1шт.

3

07043-70211

PLUG

SN: H50051-UP

2шт.

4

419-33-11460

BLEEDER

SN: H50051-UP

2шт.

5

566-32-11620

CAP

SN: H50051-UP

2шт.

6

07041-13612

PLUG

SN: H50051-UP

2шт.

7

07002-13634

O-RING

SN: H50051-UP

2шт.

8

418-23-33120

COVER

SN: H50051-UP

1шт.

9

04020-01228

PIN

SN: H50051-UP

2шт.

10

01010-61230

BOLT

SN: H50051-UP

16шт.

11

01643-31232

WASHER

SN: H50051-UP

16шт.

12

418-22-31162

CARRIER

SN: H50051-UP

2шт.

13

418-22-31710

SHIM¤ 0.05MM

SN: H50051-UP

6шт.

13A

418-22-31720

SHIM¤ 0.2MM

SN: H50051-UP

4шт.

13B

418-22-31730

SHIM¤ 0.3MM

SN: H50051-UP

4шт.

13C

418-22-31740

SHIM¤ 0.8MM

SN: H50051-UP

2шт.

14

418-33-21430

RING

SN: H50051-UP

2шт.

15

01010-61230

BOLT

SN: H50051-UP

16шт.

16

01643-51232

WASHER

SN: H50051-UP

16шт.

17

418-33-31440

SEAL

SN: H50051-UP

2шт.

18

418-33-31360

PLATE

SN: H50051-UP

2шт.

19

418-33-31261

DISK

SN: H50051-UP

4шт.

20

418-33-31121

PISTON

SN: H50051-UP

2шт.

21

418-33-31410

SEAL

SN: H50051-UP

2шт.

22

418-33-31250

PLATE

SN: H50051-UP

2шт.

23

418-33-31610

SPRING

SN: H50051-UP

8шт.

24

01252-60816

BOLT

SN: H50051-UP

4шт.

25

154-61-16570

WASHER

SN: H50051-UP

4шт.

Выбрано товаров: 28