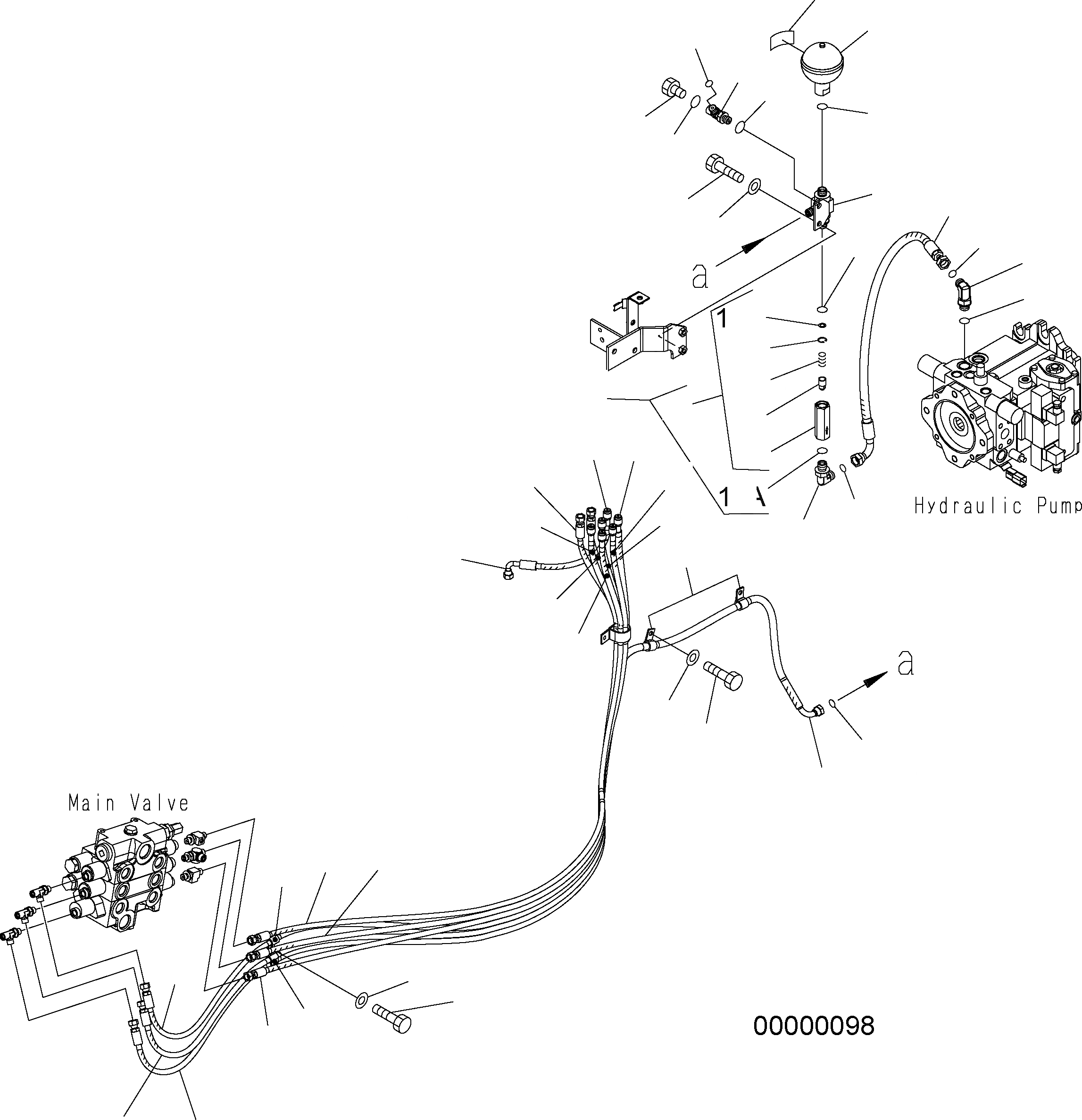
Запчасти Komatsu WA250PZ-5 ГИДРОЛИНИЯ (P.P.C ТРУБЫ; ,СЕКЦ.) H ГИДРАВЛИКА

Схема запчастей Komatsu WA250PZ-5 - ГИДРОЛИНИЯ (P.P.C ТРУБЫ; ,СЕКЦ.) H ГИДРАВЛИКА
2
1
9
7
8
13A
12A
4
10
11
3
26
5
6
31
4
29
30
17
16
12
13
15
27
28
14
23
24
20
31
18
36
27
25
21
38
37
19
28
25
23
33
24
35
34
32
21
22
20
FIT
1:1
100%

Артикул

Название

Примечание

Количество

1

20Y-60-11410

ACCUMULATOR

SN: H50051-UP

1шт.

2

09659-A057B

PLATE, SAFETY

SN: H50051-UP

1шт.

3

418-62-34232

TEE

SN: H50051-UP

1шт.

4

07002-12034

O-RING

SN: H50051-UP

1шт.

5

01010-81025

BOLT

SN: H50051-UP

2шт.

6

01643-31032

WASHER

SN: H50051-UP

2шт.

7

02782-50210

ELBOW

SN: H50051-UP

1шт.

8

07002-11423

O-RING

SN: H50051-UP

1шт.

9

02896-11008

O-RING

SN: H50051-UP

1шт.

10

07040-11007

PLUG

SN: H50051-UP

1шт.

11

07002-11023

O-RING

SN: H50051-UP

1шт.

12

418-62-31491

VALVE ASSEMBLY

SN: H50051-UP

1шт.

12A

07002-12034

O-RING

SN: H50051-UP

1шт.

13

205-60-64300

CHECK VALVE ASSEMBLY

SN: H50051-UP

1шт.

13A

04065-01410

RING

SN: H50051-UP

1шт.

14

205-60-64290

BODY

SN: H50051-UP

1шт.

15

205-60-51390

POPPET

SN: H50051-UP

1шт.

16

205-60-51410

SPRING

SN: H50051-UP

1шт.

17

205-60-51420

SEAT

SN: H50051-UP

1шт.

18

02782-10422

ELBOW

SN: H50051-UP

1шт.

19

02896-11009

O-RING

SN: H50051-UP

1шт.

20

418-62-34153

HOSE

SN: H50051-UP

1шт.

21

418-62-34162

HOSE

SN: H50051-UP

1шт.

22

418-62-34173

HOSE

SN: H50051-UP

1шт.

23

418-62-34183

HOSE

SN: H50051-UP

1шт.

24

418-V88-3352

HOSE

SN: H50051-UP

1шт.

25

418-V88-3362

HOSE

SN: H50051-UP

1шт.

26

02763-004A7

HOSE

SN: H50051-UP

1шт.

27

418-62-34192

HOSE

SN: H50051-UP

1шт.

28

418-62-34212

HOSE

SN: H50051-UP

1шт.

29

418-62-35130

ELBOW

SN: H50051-UP

1шт.

30

07000-12018

O-RING

SN: H50051-UP

1шт.

31

02896-11012

O-RING

SN: H50051-UP

2шт.

32

04435-51210

CLIP

SN: H50051-UP

1шт.

33

04434-51210

CLIP

SN: H50051-UP

1шт.

34

01010-81020

BOLT

SN: H50051-UP

1шт.

35

01643-31032

WASHER

SN: H50051-UP

1шт.

36

04434-51610

CLIP

SN: H50051-UP

2шт.

37

01010-81020

BOLT

SN: H50051-UP

2шт.

38

01643-31032

WASHER

SN: H50051-UP

2шт.

Выбрано товаров: 40