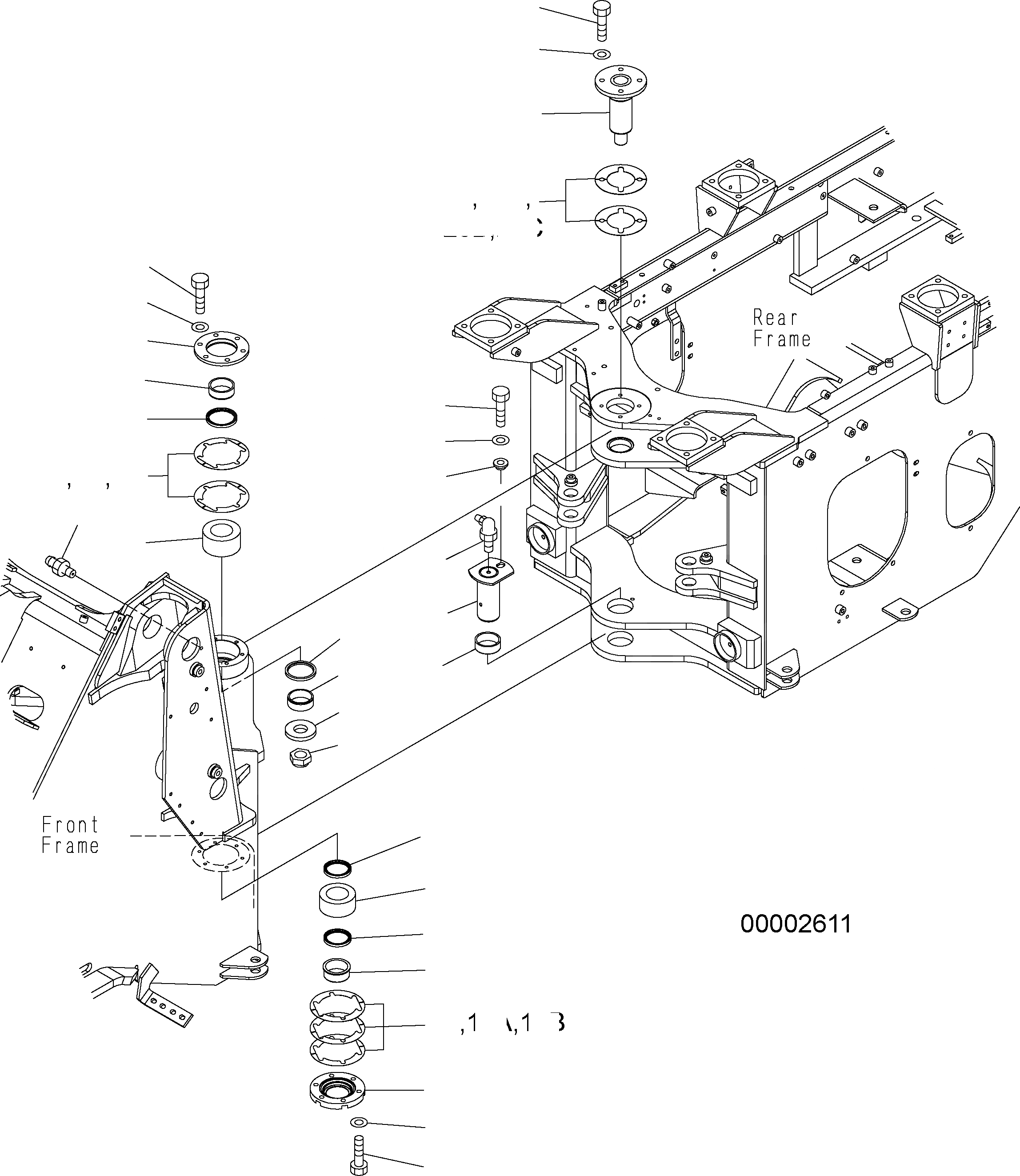
Запчасти Komatsu WA250PZ-5 HINGE ПАЛЕЦ J ОСНОВН. / ОСНОВНАЯ РАМА И КОМПОНЕНТЫ

Схема запчастей Komatsu WA250PZ-5 - HINGE ПАЛЕЦ J ОСНОВН. / ОСНОВНАЯ РАМА И КОМПОНЕНТЫ
24
26A
25
26B
26C
6A
6B
22
13A
13B
26
4
5
3
1
17
2
18
6
19
7
14
10
16
2
21
23
27
28
8
15
20
13
9
12
11
FIT
1:1
100%

Артикул

Название

Примечание

Количество

1

418-46-11160

SPACER

SN: H50051-UP

1шт.

2

419-09-11110

SEAL

SN: H50051-UP

2шт.

3

418-46-11180

RETAINER

SN: H50051-UP

1шт.

4

01010-81030

BOLT

SN: H50051-UP

6шт.

5

01643-31032

WASHER

SN: H50051-UP

6шт.

6

418-46-11320

SHIM¤ 0.1MM

SN: H50051-UP

4шт.

6A

418-46-11210

SHIM¤ 0.2MM

SN: H50051-UP

2шт.

6B

418-46-11220

SHIM¤ 0.5MM

SN: H50051-UP

4шт.

7

07020-00000

FITTING

SN: H50051-UP

1шт.

8

417-09-11120

SEAL

SN: H50051-UP

2шт.

9

418-46-13330

RETAINER

SN: H50051-UP

1шт.

10

07020-00900

FITTING

SN: H50051-UP

1шт.

11

01010-81025

BOLT

SN: H50051-UP

6шт.

12

01643-31032

WASHER

SN: H50051-UP

6шт.

13

418-46-11320

SHIM¤ 0.1MM

SN: H50051-UP

2шт.

13A

418-46-11210

SHIM¤ 0.2MM

SN: H50051-UP

4шт.

13B

418-46-11220

SHIM¤ 0.5MM

SN: H50051-UP

2шт.

14

418-46-11150

BEARING

SN: H50051-UP

1шт.

15

418-46-13320

BEARING

SN: H50051-UP

1шт.

16

418-46-13310

SHAFT

SN: H50051-UP

1шт.

17

01010-81235

BOLT

SN: H50051-UP

1шт.

18

01643-31232

WASHER

SN: H50051-UP

1шт.

19

424-46-11130

BUSHING

SN: H50051-UP

1шт.

20

418-46-22210

BUSHING

SN: H50051-UP

1шт.

21

418-46-22220

BUSHING

SN: H50051-UP

1шт.

22

418-46-11141

SHAFT

SN: H50051-UP

1шт.

23

418-46-11160

SPACER

SN: H50051-UP

2шт.

24

01010-81235

BOLT

SN: H50051-UP

4шт.

25

01643-31232

WASHER

SN: H50051-UP

4шт.

26

418-46-11240

SHIM¤ 0.1MM

SN: H50051-UP

2шт.

26A

418-46-11250

SHIM¤ 0.2MM

SN: H50051-UP

4шт.

26B

418-46-11260

SHIM¤ 0.5MM

SN: H50051-UP

2шт.

26C

418-46-11270

SHIM¤ 1.0MM

SN: H50051-UP

2шт.

27

418-46-11280

WASHER

SN: H50051-UP

1шт.

28

01597-03629

NUT

SN: H50051-UP

1шт.

Выбрано товаров: 35