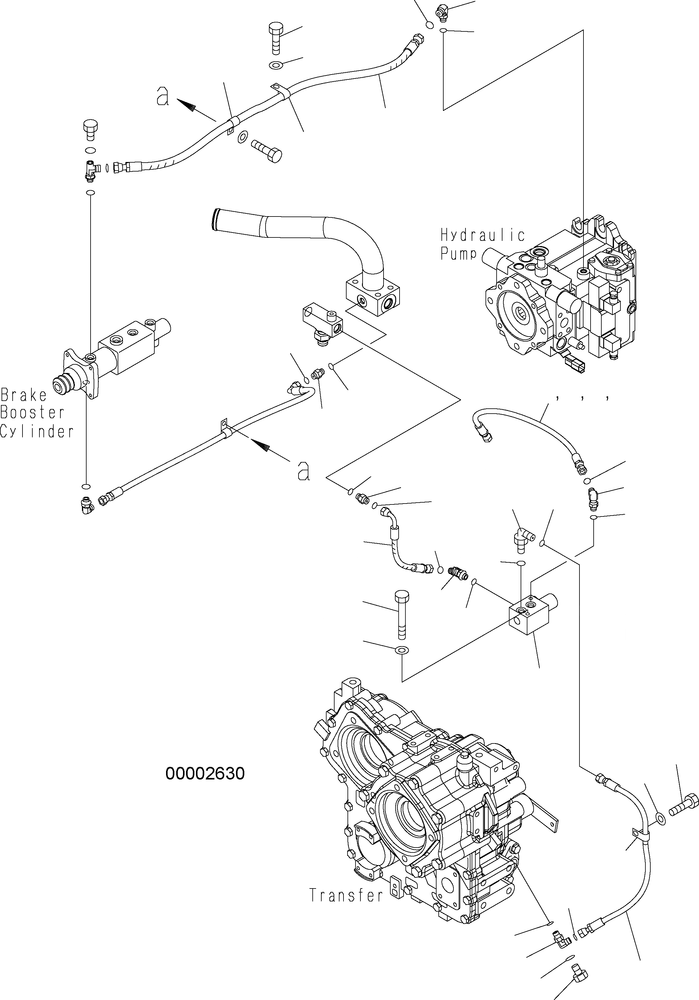
Запчасти Komatsu WA250PZ-5 INCHING УПРАВЛ-Е K OPERATORS ОБСТАНОВКА И СИСТЕМА УПРАВЛЕНИЯ

Схема запчастей Komatsu WA250PZ-5 - INCHING УПРАВЛ-Е K OPERATORS ОБСТАНОВКА И СИСТЕМА УПРАВЛЕНИЯ
20
19
22
18
23
21
27
21
34
11
29
30
31
33
32
6
25
24
12
6
28
26
14
9
6
14
2
13
14
3
1
16
17
15
6
5
4
10
8
7
FIT
1:1
100%

Артикул

Название

Примечание

Количество

1

417-18-31111

VALVE ASSEMBLY

SN: H50051-UP

1шт.

2

01010-80870

BOLT

SN: H50051-UP

2шт.

3

01643-30823

WASHER

SN: H50051-UP

2шт.

4

02782-10210

ELBOW

SN: H50051-UP

1шт.

5

07002-11423

O-RING

SN: H50051-UP

1шт.

6

02896-11008

O-RING

SN: H50051-UP

4шт.

7

07040-11007

PLUG

SN: H50051-UP

1шт.

8

07002-11023

O-RING

SN: H50051-UP

1шт.

9

418-18-31380

HOSE¤ 300MM

SN: H50051-UP

1шт.

10

02760-002A5

HOSE

SN: H50051-UP

1шт.

11

418-18-31341

HOSE¤ 560MM

SN: H50051-UP

1шт.

12

21W-62-43980

ELBOW

SN: H50051-UP

2шт.

13

21W-62-43970

ELBOW

SN: H50051-UP

1шт.

14

07000-12011

O-RING

SN: H50051-UP

3шт.

15

04434-51210

CLIP

SN: H50051-UP

1шт.

16

01010-81020

BOLT

SN: H50051-UP

1шт.

17

01643-31032

WASHER

SN: H50051-UP

1шт.

18

07000-12011

O-RING

SN: H50051-UP

1шт.

19

418-T80-3281

ELBOW

SN: H50051-UP

1шт.

20

02896-11009

O-RING

SN: H50051-UP

1шт.

21

04434-51610

CLIP

SN: H50051-UP

2шт.

22

01010-81020

BOLT

SN: H50051-UP

1шт.

23

01643-31032

WASHER

SN: H50051-UP

1шт.

24

02781-00210

UNION

SN: H50051-UP

2шт.

25

07002-11423

O-RING

SN: H50051-UP

2шт.

26

02896-11008

O-RING

SN: H50051-UP

2шт.

27

418-18-31370

HOSE¤ 1250MM

SN: H50051-UP

1шт.

28

418-18-31111

ELBOW

SN: H50051-UP

1шт.

29

04434-51512

CLIP

SN: H50051-UP

1шт.

30

01010-81225

BOLT

SN: H50051-UP

2шт.

31

01643-31232

WASHER

SN: H50051-UP

2шт.

32

02781-0031D

UNION

SN: H50051-UP

1шт.

33

07002-11423

O-RING

SN: H50051-UP

1шт.

34

02896-11009

O-RING

SN: H50051-UP

1шт.

Выбрано товаров: 34