Запчасти Komatsu WA250PZ-5 УПРАВЛ-Е ТОРМОЗОМ (ЗАГРУЗОЧН. КЛАПАН) K OPERATORS ОБСТАНОВКА И СИСТЕМА УПРАВЛЕНИЯ

Схема запчастей Komatsu WA250PZ-5 - УПРАВЛ-Е ТОРМОЗОМ (ЗАГРУЗОЧН. КЛАПАН) K OPERATORS ОБСТАНОВКА И СИСТЕМА УПРАВЛЕНИЯ
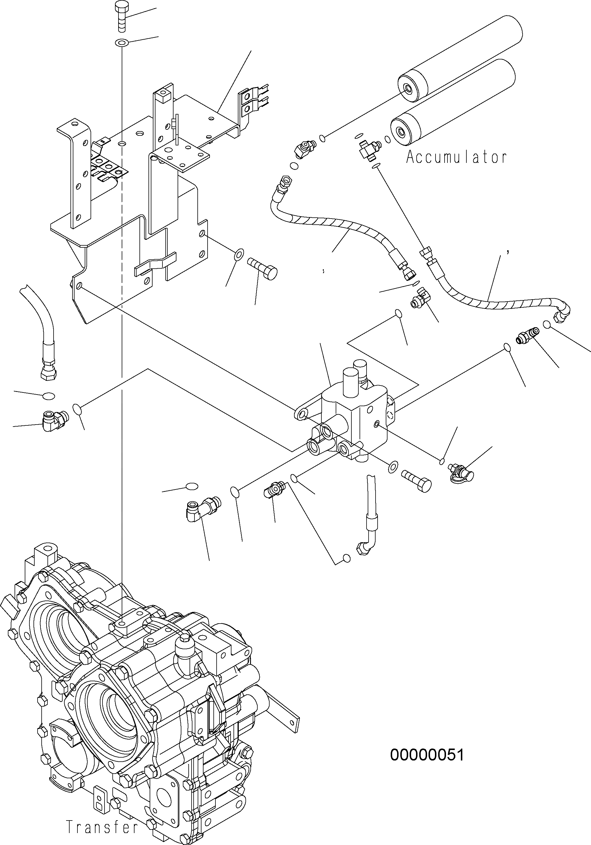
16
13A
17
14A
15
14
13
3
17
16
2
1
4
3
2
8
4
12
5
11
7
8
10
9
7
6
FIT
1:1
100%

Артикул

Название

Примечание

Количество

1

418-43-37204

VALVE ASSEMBLY

SN: H50051-UP

1шт.

2

21W-62-43980

ELBOW

SN: H50051-UP

2шт.

3

07000-12011

O-RING

SN: H50051-UP

2шт.

4

02896-11008

O-RING

SN: H50051-UP

2шт.

5

418-62-35111

ELBOW

SN: H50051-UP

1шт.

6

418-62-35120

ELBOW

SN: H50051-UP

1шт.

7

07000-12018

O-RING

SN: H50051-UP

2шт.

8

02896-11012

O-RING

SN: H50051-UP

2шт.

9

56B-88-12320

ELBOW

SN: H50051-UP

1шт.

10

07000-12014

O-RING

SN: H50051-UP

1шт.

11

07040-11007

PLUG

SN: H50051-UP

1шт.

12

07002-11023

O-RING

SN: H50051-UP

1шт.

13

418-43-37251

HOSE

SN: H50051-UP

1шт.

13A

08210-01202

SPIRAL TUBE

SN: H50051-UP

1шт.

14

418-43-37262

HOSE

SN: H50051-UP

1шт.

14A

08210-01202

SPIRAL TUBE

SN: H50051-UP

1шт.

15

418-43-37227

BRACKET

SN: H50051-UP

1шт.

16

01010-81225

BOLT

SN: H50051-UP

6шт.

17

01643-31232

WASHER

SN: H50051-UP

6шт.

Выбрано товаров: 19