Запчасти Komatsu WA250PZ-6 Э/ПРОВОДКА ДВИГАТЕЛЯ(№7-) КОМПОНЕНТЫ ДВИГАТЕЛЯ

Схема запчастей Komatsu WA250PZ-6 - Э/ПРОВОДКА ДВИГАТЕЛЯ(№7-) КОМПОНЕНТЫ ДВИГАТЕЛЯ
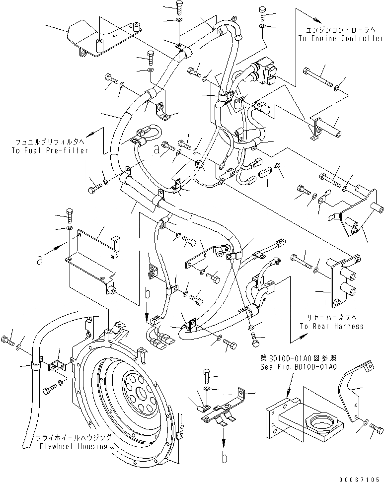
1
2
3
4
5
6
7
8
9
10
11
12
13
14
15
16
17
18
19
20
21
22
23
24
25
26
27
28
29
30
31
32
33
34
35
36
37
38
39
40
41
41
41
41
41
41
41
41
41
41
42
42
42
42
42
42
42
42
42
42
43
44
45
46
47
48
49
50
51
52
53
54
55
56
57
58
59
FIT
1:1
100%

Артикул

Название

Примечание

Количество

1

418-06-42351

WIRING HARNESS

SN: 75001-UP

1шт.

1

21J-06-13661

DIODE

SN: 75001-UP

2шт.

2

04434-53212

CLIP

SN: 75001-UP

1шт.

3

07095-20523

CUSHION

SN: 75001-UP

1шт.

4

01010-81225

BOLT

SN: 75001-UP

1шт.

5

01643-31232

WASHER

SN: 75001-UP

1шт.

6

418-06-42521

BRACKET

SN: 75001-UP

1шт.

7

01010-81020

BOLT

SN: 75001-UP

2шт.

8

01643-31032

WASHER

SN: 75001-UP

2шт.

9

600-051-2240

CLIP

SN: 75001-UP

1шт.

10

600-051-2140

CLIP

SN: 75001-UP

1шт.

11

42A-16-11210

PLATE

SN: 75001-UP

1шт.

12

600-051-2140

CLIP

SN: 75001-UP

1шт.

13

418-06-42540

BRACKET

SN: 75001-UP

1шт.

14

04434-51712

CLIP

SN: 75001-UP

1шт.

15

07095-20211

CUSHION

SN: 75001-UP

1шт.

16

418-06-42510

BRACKET

SN: 75001-UP

1шт.

17

01010-81030

BOLT

SN: 75001-UP

2шт.

18

01643-31032

WASHER

SN: 75001-UP

2шт.

19

600-051-2240

CLIP

SN: 75001-UP

2шт.

20

20Y-04-11230

BRACKET

SN: 75001-UP

1шт.

21

01010-81235

BOLT

SN: 75001-UP

1шт.

22

01643-31232

WASHER

SN: 75001-UP

1шт.

23

600-051-2240

CLIP

SN: 75001-UP

1шт.

24

418-06-42560

BRACKET

SN: 75001-UP

1шт.

25

600-051-2240

CLIP

SN: 75001-UP

1шт.

26

600-051-2200

CLIP

SN: 75001-UP

1шт.

27

423-06-42540

BRACKET

SN: 75001-UP

1шт.

28

6132-11-4690

BOLT

SN: 75001-UP

1шт.

29

01643-30823

WASHER

SN: 75001-UP

1шт.

30

600-051-2200

CLIP

SN: 75001-UP

1шт.

31

600-051-2140

CLIP

SN: 75001-UP

1шт.

32

600-051-2180

CLIP

SN: 75001-UP

1шт.

33

600-051-2100

CLIP

SN: 75001-UP

1шт.

34

418-06-42690

BRACKET

SN: 75001-UP

1шт.

35

01010-80860

BOLT

SN: 75001-UP

2шт.

36

01643-30823

WASHER

SN: 75001-UP

2шт.

37

600-051-2140

CLIP

SN: 75001-UP

1шт.

38

600-051-2100

CLIP

SN: 75001-UP

1шт.

39

04434-51612

CLIP

SN: 75001-UP

1шт.

40

07095-20211

CUSHION

SN: 75001-UP

1шт.

41

01010-81020

BOLT

SN: 75001-UP

15шт.

42

01643-31032

WASHER

SN: 75001-UP

15шт.

43

01010-81220

BOLT

SN: 75001-UP

2шт.

44

01643-31232

WASHER

SN: 75001-UP

2шт.

45

418-06-42420

BRACKET

SN: 75001-UP

1шт.

46

01010-81020

BOLT

SN: 75001-UP

2шт.

47

01643-31032

WASHER

SN: 75001-UP

2шт.

48

42A-16-11210

PLATE

SN: 75001-UP

1шт.

49

04434-52310

CLIP

SN: 75001-UP

1шт.

50

01010-81020

BOLT

SN: 75001-UP

1шт.

51

01643-31032

WASHER

SN: 75001-UP

1шт.

52

418-03-43810

BRACKET

SN: 75001-UP

1шт.

53

01010-81270

BOLT

SN: 75001-UP

2шт.

54

01643-31232

WASHER

SN: 75001-UP

2шт.

55

08192-22100

CONNECTOR

SN: 75001-UP

1шт.

56

08191-00770

PLUG

SN: 75001-UP

2шт.

57

08193-20010

CLIP

SN: 75001-UP

1шт.

58

01010-81016

BOLT

SN: 75001-UP

1шт.

59

01643-31032

WASHER

SN: 75001-UP

1шт.

Выбрано товаров: 60