Качественные детали и логистика
Оригинальные и аналоговые запчасти с доставкой по России, Казахстану и Беларуси
©2022 PartSell ООО "Система" ИНН 2463123282 ОГРН 1212400004838
Центральный офис: г. Красноярск, Академика Киренского, д.87, пом.4
Телефон: 8 (800) 777-65-74 Email: zakaz@partsell.ru
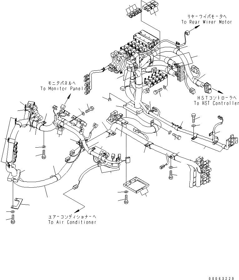
РУЛЕВ. УПРАВЛЕНИЕ ЛИНИЯ (ЭЛЕМЕНТЫ КРЕПЛЕНИЯ)(№7-)
№
Артикул
Название
Примечание
Количество
1
421-62-31110
UNION
SN: 75001-UP
2шт.
2
07000-12014
O-RING
3
02896-11008
4шт.
4
01010-80820
BOLT
5
01643-30823
WASHER
Выбрано товаров: 0