Запчасти Komatsu WA250PZ-6 ДВИГАТЕЛЬ ПЕРЕДАЧА ЧАСТИ(№7-) КОМПОНЕНТЫ ДВИГАТЕЛЯ

Схема запчастей Komatsu WA250PZ-6 - ДВИГАТЕЛЬ ПЕРЕДАЧА ЧАСТИ(№7-) КОМПОНЕНТЫ ДВИГАТЕЛЯ
1
2
3
4
4
5
6
7
8
8
8A
9
9
10
10
11
12
13
14
15
16
1
2
3
FIT
1:1
100%

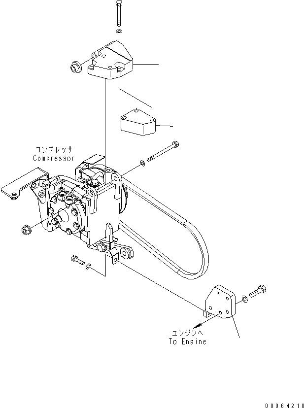
Артикул

Название

Примечание

Количество

1

418-S62-4820

PLATE

SN: 75001-UP

1шт.

2

418-S62-4850

BRACKET

SN: 75001-UP

1шт.

3

418-S62-4860

BRACKET

SN: 75001-UP

1шт.

Выбрано товаров: 3