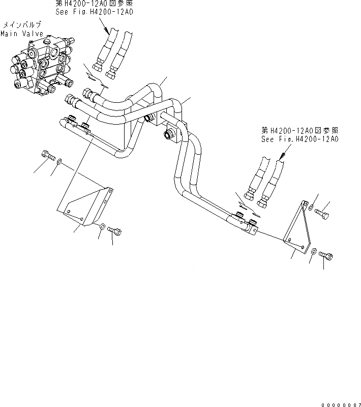
Запчасти Komatsu WA250PZ-6 ГИДРОЛИНИЯ (ЛИНИЯ ГИДРОЦИЛИНДРА ПОДЪЕМА) (ДЛЯ E.C.S.S.)(№7-) ГИДРАВЛИКА

Схема запчастей Komatsu WA250PZ-6 - ГИДРОЛИНИЯ (ЛИНИЯ ГИДРОЦИЛИНДРА ПОДЪЕМА) (ДЛЯ E.C.S.S.)(№7-) ГИДРАВЛИКА
1
2
3
3
4
4
5
5
6
7
8
8
9
9
FIT
1:1
100%

Артикул

Название

Примечание

Количество

1

418-T80-4842

TUBE

SN: 75001-UP

1шт.

2

418-T80-4852

TUBE

SN: 75001-UP

1шт.

3

01010-81025

BOLT

SN: 75001-UP

4шт.

4

01643-31032

WASHER

SN: 75001-UP

4шт.

5

02896-11018

O-RING

SN: 75001-UP

4шт.

6

418-U77-3770

PLATE

SN: 75001-UP

1шт.

7

418-U77-3780

PLATE

SN: 75001-UP

1шт.

8

01010-81025

BOLT

SN: 75001-UP

4шт.

9

01643-31032

WASHER

SN: 75001-UP

4шт.

Выбрано товаров: 0