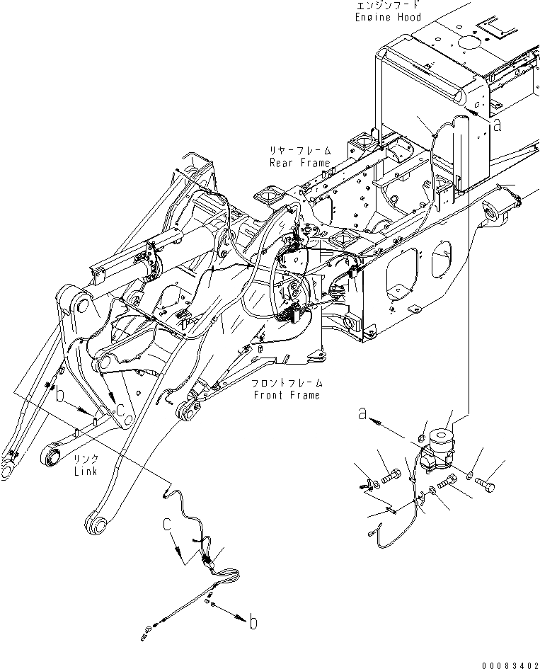
Запчасти Komatsu WA250PZ-6 УДАЛЕННАЯ СМАЗКА (С АВТОМАТИЧ. СМАЗКОЙ) (/)(№7-) ОСНОВНАЯ РАМА И ЕЕ ЧАСТИ

Схема запчастей Komatsu WA250PZ-6 - УДАЛЕННАЯ СМАЗКА (С АВТОМАТИЧ. СМАЗКОЙ) (/)(№7-) ОСНОВНАЯ РАМА И ЕЕ ЧАСТИ
1
2
3
4
5
6
7
8
8
8
9
10
10
11
11
12
12
13
14
FIT
1:1
100%

Артикул

Название

Примечание

Количество

1

418-S95-H420

FEEDER,REAR FRAME

SN: 75001-UP

1шт.

2

418-S95-4650

HOSE ASS'Y

SN: 75001-UP

1шт.

3

418-S95-4670

FEEDER ASS'Y

SN: 75001-UP

1шт.

4

418-S95-H430

FEEDER,L.H.

SN: 75001-UP

1шт.

5

418-S95-H400

GREASE PUMP

SN: 75001-UP

1шт.

5

419-09-H2750

GREASE PUMP

SN: 75001-UP

1шт.

5

418-S95-H310

WIRING HARNESS

SN: 75001-UP

1шт.

5

419-09-H2910

FEEDER

SN: 75001-UP

1шт.

5

419-09-H0790

FEEDER

SN: 75001-UP

1шт.

6

01010-80820

BOLT

SN: 75001-UP

3шт.

7

01640-20816

WASHER

SN: 75001-UP

3шт.

8

08034-20519

BAND

SN: 75001-UP

9шт.

9

421-62-11940

PLATE

SN: 75001-UP

1шт.

10

04435-51210

CLIP

SN: 75001-UP

2шт.

11

01010-81020

BOLT

SN: 75001-UP

3шт.

12

01643-31032

WASHER

SN: 75001-UP

3шт.

13

08037-03614

GROMMET

SN: 75001-UP

1шт.

14

08034-20536

BAND

SN: 75001-UP

1шт.

Выбрано товаров: 18