Запчасти Komatsu WA250PZ-6 ЗАДН. КРЫЛО (КРЫЛО И ЩИТКИ) (ПОЛН. КРЫЛО И ШИР. КРЫЛО)(№7-) ЧАСТИ КОРПУСА

Схема запчастей Komatsu WA250PZ-6 - ЗАДН. КРЫЛО (КРЫЛО И ЩИТКИ) (ПОЛН. КРЫЛО И ШИР. КРЫЛО)(№7-) ЧАСТИ КОРПУСА
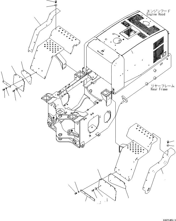
1
2
3
3
4
4
5
6
7
8
9
10
11
11
12
12
13
13
14
14
FIT
1:1
100%

Артикул

Название

Примечание

Количество

1

418-54-44930

COVER,L.H.

SN: 75001-UP

1шт.

2

418-54-44940

COVER,R.H.

SN: 75001-UP

1шт.

3

01010-D1025

BOLT

SN: 75001-UP

12шт.

4

421-54-34550

WASHER

SN: 75001-UP

12шт.

5

418-54-35531

PLATE,L.H.

SN: 75644-UP

1шт.

5

0

PLATE,L.H.

SN: 75001-75643

1шт.

6

418-54-35541

PLATE,R.H.

SN: 75644-UP

1шт.

6

0

PLATE,R.H.

SN: 75001-75643

1шт.

7

418-54-35550

SHEET,L.H.

SN: 75001-UP

1шт.

8

418-54-35560

SHEET,R.H.

SN: 75001-UP

1шт.

9

418-54-34840

PLATE

SN: 75001-UP

1шт.

10

418-54-34890

PLATE

SN: 75001-UP

1шт.

11

01010-D1025

BOLT

SN: 75001-UP

7шт.

12

01643-71032

WASHER

SN: 75001-UP

7шт.

13

01010-D1025

BOLT

SN: 75001-UP

2шт.

14

415-64-13120

WASHER

SN: 75001-UP

2шт.

Выбрано товаров: 16