Запчасти Komatsu WA250PZ-6 ПЕРЕДН. КРЫЛО (ДЛЯ ПОЛН. КРЫЛО)(№7-) ЧАСТИ КОРПУСА

Схема запчастей Komatsu WA250PZ-6 - ПЕРЕДН. КРЫЛО (ДЛЯ ПОЛН. КРЫЛО)(№7-) ЧАСТИ КОРПУСА
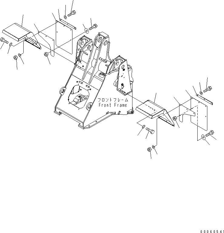
1
2
3
4
5
6
7
7
8
8
9
9
10
10
11
11
12
12
13
13
13
13
14
14
15
15
FIT
1:1
100%

Артикул

Название

Примечание

Количество

1

418-T80-3651

FENDER,L.H.

SN: 75001-UP

1шт.

2

01010-81225

BOLT

SN: 75001-UP

4шт.

3

01643-31232

WASHER

SN: 75001-UP

4шт.

4

418-T80-3661

FENDER,R.H.

SN: 75001-UP

1шт.

5

01010-81225

BOLT

SN: 75001-UP

4шт.

6

01643-31232

WASHER

SN: 75001-UP

4шт.

7

418-54-34660

SHEET

SN: 75001-UP

2шт.

8

418-54-34671

PLATE

SN: 75644-UP

2шт.

8

0

PLATE

SN: 75001-75643

2шт.

9

418-54-24570

PLATE

SN: 75001-UP

2шт.

10

01010-81230

BOLT

SN: 75001-UP

6шт.

11

01643-31232

WASHER

SN: 75001-UP

6шт.

12

01643-31232

WASHER

SN: 75001-UP

6шт.

13

01580-01210

NUT

SN: 75001-UP

8шт.

14

01010-81225

BOLT

SN: 75001-UP

2шт.

15

416-03-11210

WASHER

SN: 75001-UP

2шт.

Выбрано товаров: 16