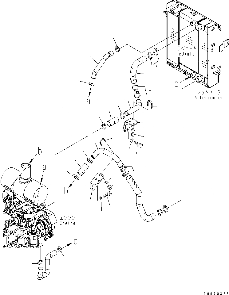
Запчасти Komatsu WA250PZ-6 ЛИНИЯ ОХЛАЖДЕНИЯ (ДЛЯ ШИР. СЕРДЦЕВИНА РАДИАТОР)(№7-) СИСТЕМА ОХЛАЖДЕНИЯ

Схема запчастей Komatsu WA250PZ-6 - ЛИНИЯ ОХЛАЖДЕНИЯ (ДЛЯ ШИР. СЕРДЦЕВИНА РАДИАТОР)(№7-) СИСТЕМА ОХЛАЖДЕНИЯ
1
2
3
3
3
3
3
4
5
6
7
8
8
8
8
9
10
11
12
13
14
15
16
17
18
19
20
21
22
23
FIT
1:1
100%

Артикул

Название

Примечание

Количество

1

418-03-48221

HOSE

SN: 75001-UP

1шт.

2

418-03-48211

HOSE

SN: 75001-UP

1шт.

3

07289-00070

CLAMP

SN: 75001-UP

5шт.

4

07289-00055

CLAMP

SN: 75001-UP

1шт.

5

418-03-32180

HOSE, 150MM

SN: 75001-UP

1шт.

6

418-03-48231

HOSE

SN: 75001-UP

1шт.

7

418-03-42170

TUBE

SN: 75001-UP

1шт.

8

07299-00070

CLAMP

SN: 75001-UP

6шт.

9

418-03-42160

HOSE, 150MM

SN: 75001-UP

1шт.

10

418-03-42150

TUBE

SN: 75001-UP

1шт.

11

07289-00080

CLAMP

SN: 75001-UP

2шт.

12

418-03-42180

BRACKET

SN: 75001-UP

1шт.

13

01010-81035

BOLT

SN: 75001-UP

2шт.

14

01643-31032

WASHER

SN: 75001-UP

2шт.

15

203-01-67580

CLIP

SN: 75001-UP

2шт.

16

01597-01009

NUT

SN: 75001-UP

4шт.

17

01643-31032

WASHER

SN: 75001-UP

4шт.

18

418-03-42190

BRACKET

SN: 75001-UP

1шт.

19

01010-81040

BOLT

SN: 75001-UP

4шт.

20

01643-31032

WASHER

SN: 75001-UP

4шт.

21

203-01-67580

CLIP

SN: 75001-UP

2шт.

22

01597-01009

NUT

SN: 75001-UP

4шт.

23

01643-31032

WASHER

SN: 75001-UP

4шт.

Выбрано товаров: 23