Запчасти Komatsu WA250PZ-6 HST МОТОР (/7) (С ORIFICE)(№7-) ОСНОВН. КОМПОНЕНТЫ И РЕМКОМПЛЕКТЫ

Схема запчастей Komatsu WA250PZ-6 - HST МОТОР (/7) (С ORIFICE)(№7-) ОСНОВН. КОМПОНЕНТЫ И РЕМКОМПЛЕКТЫ
1
2
3
4
5
FIT
1:1
100%

Артикул

Название

Примечание

Количество

|$1

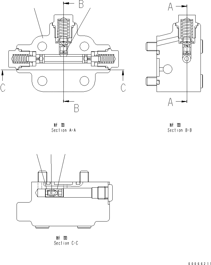
418-18-31302

MOTOR

SN: 75001-UP

1шт.

|$$2

THIS ASSEMBLY CONSISTS OF ALL PARTS SHOWN IN FIGS.Y1651-11A0 TO Y1651-17A0.

-1шт.

|$$3

THE UCHIDA YUATSU KIKI PART NUMBER IS THAT UC IS REMOVED FROM KOMATSU PART NUMBER LISTED BELOW.

-1шт.

|$4

UCR902115811

FLASHING VALVE

SN: 75001-UP

1шт.

1

UCR902115775

FLASHING VALVE

SN: 75001-UP

1шт.

2

UC1704171186

ORIFICE

SN: 75001-UP

1шт.

3

UC1704196965

ORIFICE

SN: 75001-UP

1шт.

4

UC1704002631

GUIDE

SN: 75001-UP

1шт.

5

UC1704002649

GUIDE

SN: 75001-UP

1шт.

Выбрано товаров: 0