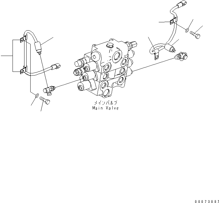
Запчасти Komatsu WA250PZ-6 ГИДРАВЛ УПРАВЛЯЮЩ. КЛАПАН (3-Х СЕКЦИОНН. КЛАПАН ARRANGEMENT И E.C.S.S.) (P.P.C. ДАТЧИК) H ГИДРАВЛИКА

Схема запчастей Komatsu WA250PZ-6 - ГИДРАВЛ УПРАВЛЯЮЩ. КЛАПАН (3-Х СЕКЦИОНН. КЛАПАН ARRANGEMENT И E.C.S.S.) (P.P.C. ДАТЧИК) H ГИДРАВЛИКА
1
1
2
2
2
3
3
4
4
FIT
1:1
100%

Артикул

Название

Примечание

Количество

1

195-06-55120

SWITCH

SN: 75160-75467

2шт.

2

04434-50610

CLIP

SN: 75160-75467

4шт.

3

01010-81020

BOLT

SN: 75160-75467

3шт.

4

01643-31032

WASHER

SN: 75160-75467

3шт.

Выбрано товаров: 4