Запчасти Komatsu WA250PZ-6 ТЕРМОЗАЩИТА (C АНТИКОР. ЭЛЕМЕНТОМ)(ESN 7-) AA ДВИГАТЕЛЬ

Схема запчастей Komatsu WA250PZ-6 - ТЕРМОЗАЩИТА (C АНТИКОР. ЭЛЕМЕНТОМ)(ESN 7-) AA ДВИГАТЕЛЬ
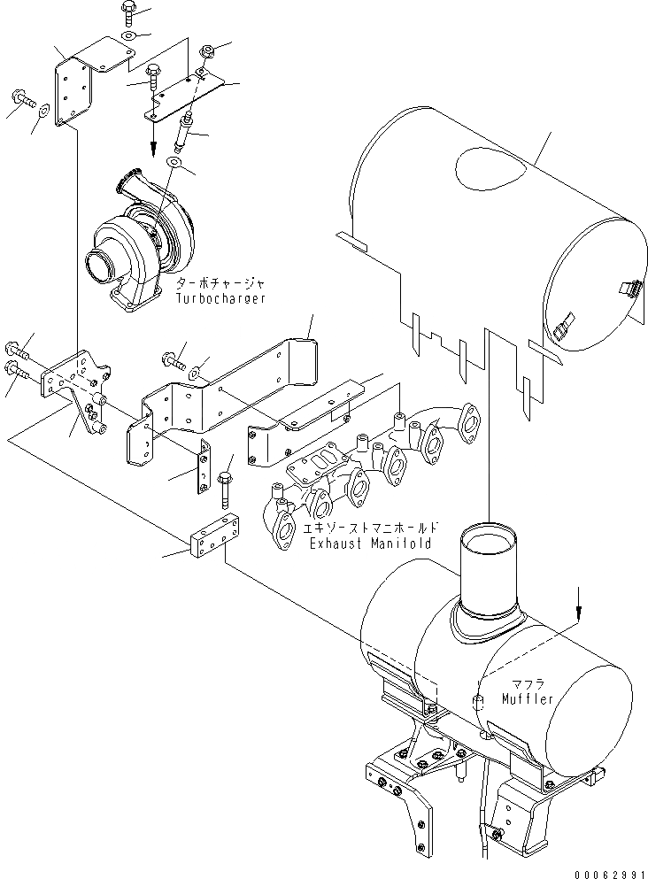
1
2
3
4
5
6
7
8
9
10
11
12
13
14
14
15
16
17
18
19
20
a
a
FIT
1:1
100%

Артикул

Название

Примечание

Количество

1

6754-81-8941

BRACKET

SN: 26506237-UP

1шт.

2

6754-81-8812

COVER

SN: 26509337-UP

1шт.

2

6754-81-8811

COVER

SN: 26506237-26509336

1шт.

3

01435-00820

BOLT

SN: 26506237-UP

8шт.

4

154-61-16570

WASHER

SN: 26506237-UP

8шт.

5

6754-81-8990

BLOCK

SN: 26506237-UP

1шт.

6

01435-01065

BOLT

SN: 26506237-UP

2шт.

7

6754-81-8850

PLATE

SN: 26506237-UP

1шт.

8

01435-01030

BOLT

SN: 26506237-UP

2шт.

9

6754-81-8931

BRACKET

SN: 26506237-UP

1шт.

10

01435-00850

BOLT

SN: 26506237-UP

2шт.

11

6754-81-8820

COVER

SN: 26506237-UP

1шт.

12

01435-00825

BOLT

SN: 26506237-UP

2шт.

13

01435-00820

BOLT

SN: 26506237-UP

2шт.

14

154-61-16570

WASHER

SN: 26506237-UP

4шт.

15

6754-81-8970

ROD

SN: 26506237-UP

1шт.

16

6754-81-8960

BRACKET

SN: 26506237-UP

1шт.

17

01584-00806

NUT

SN: 26506237-UP

1шт.

18

01643-50823

WASHER

SN: 26506237-UP

1шт.

19

01435-00820

BOLT

SN: 26506237-UP

1шт.

20

6754-81-5830

COVER

SN: 26506237-UP

1шт.

Выбрано товаров: 21