Запчасти Komatsu WA250PZ-6 CENTRAL СМАЗКА СИСТЕМА (ЗАДН. РАМА) (СИСТ. СМАЗКИ ТРУБКА) J ОСНОВНАЯ РАМА И ЕЕ ЧАСТИ

Схема запчастей Komatsu WA250PZ-6 - CENTRAL СМАЗКА СИСТЕМА (ЗАДН. РАМА) (СИСТ. СМАЗКИ ТРУБКА) J ОСНОВНАЯ РАМА И ЕЕ ЧАСТИ
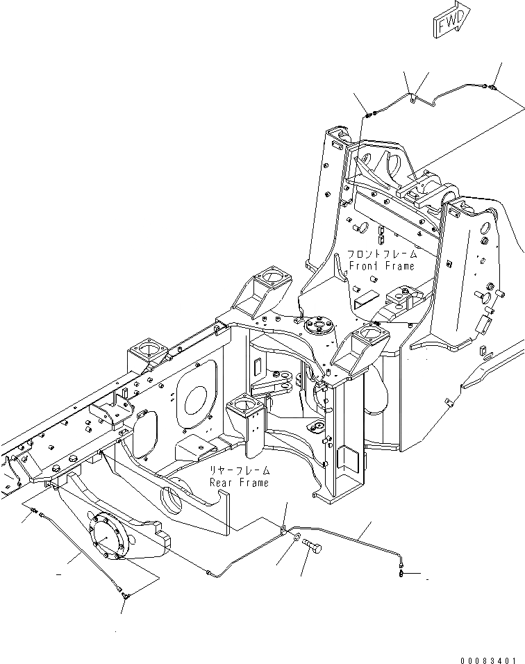
1
2
3
4
5
6
7
8
9
10
11
12
FIT
1:1
100%

Артикул

Название

Примечание

Количество

1

07217-70510

ELBOW

SN: 75160-75467

1шт.

2

418-46-18114

TUBE

SN: 75160-75467

1шт.

3

04434-50510

CLIP

SN: 75160-75467

1шт.

4

01010-81016

BOLT

SN: 75160-75467

2шт.

5

01643-31032

WASHER

SN: 75160-75467

2шт.

6

07214-70510

CONNECTOR

SN: 75160-75467

1шт.

7

417-46-36113

TUBE

SN: 75160-75467

1шт.

8

07214-70510

CONNECTOR

SN: 75160-75467

2шт.

9

418-T90-4373

TUBE

SN: 75160-75467

1шт.

10

04434-50510

CLIP

SN: 75160-75467

1шт.

11

07217-70510

ELBOW

SN: 75160-75467

1шт.

12

07214-70510

CONNECTOR

SN: 75160-75467

1шт.

Выбрано товаров: 12