Запчасти Komatsu WA250PZ-6 КОВШ ПОЗИЦИОНЕР K OPERATORґS ОБСТАНОВКА И СИСТЕМА УПРАВЛЕНИЯ

Схема запчастей Komatsu WA250PZ-6 - КОВШ ПОЗИЦИОНЕР K OPERATORґS ОБСТАНОВКА И СИСТЕМА УПРАВЛЕНИЯ
9
11
12
5
4
a
a
13
10
6
7
2
2
1
3
8
FIT
1:1
100%

Артикул

Название

Примечание

Количество

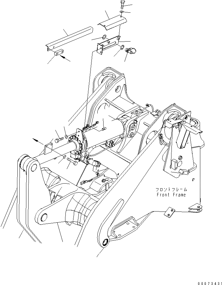
1

56B-06-15610

SWITCH

SN: 75160-75467

1шт.

2

418-U77-3650

WASHER

SN: 75160-75467

2шт.

3

418-U77-4414

BRACKET

SN: 75160-75467

1шт.

4

01010-81230

BOLT

SN: 75160-75467

2шт.

5

01643-31232

WASHER

SN: 75160-75467

2шт.

6

418-U77-4480

PLATE

SN: 75160-75467

1шт.

7

01010-81020

BOLT

SN: 75160-75467

2шт.

8

01643-31032

WASHER

SN: 75160-75467

2шт.

9

23C-06-51440

CONNECTOR

SN: 75160-75467

1шт.

10

418-U77-4424

PLATE

SN: 75160-75467

1шт.

11

01010-81255

BOLT

SN: 75160-75467

2шт.

12

01643-31232

WASHER

SN: 75160-75467

2шт.

13

418-U77-4442

BLOCK

SN: 75160-75467

1шт.

Выбрано товаров: 13