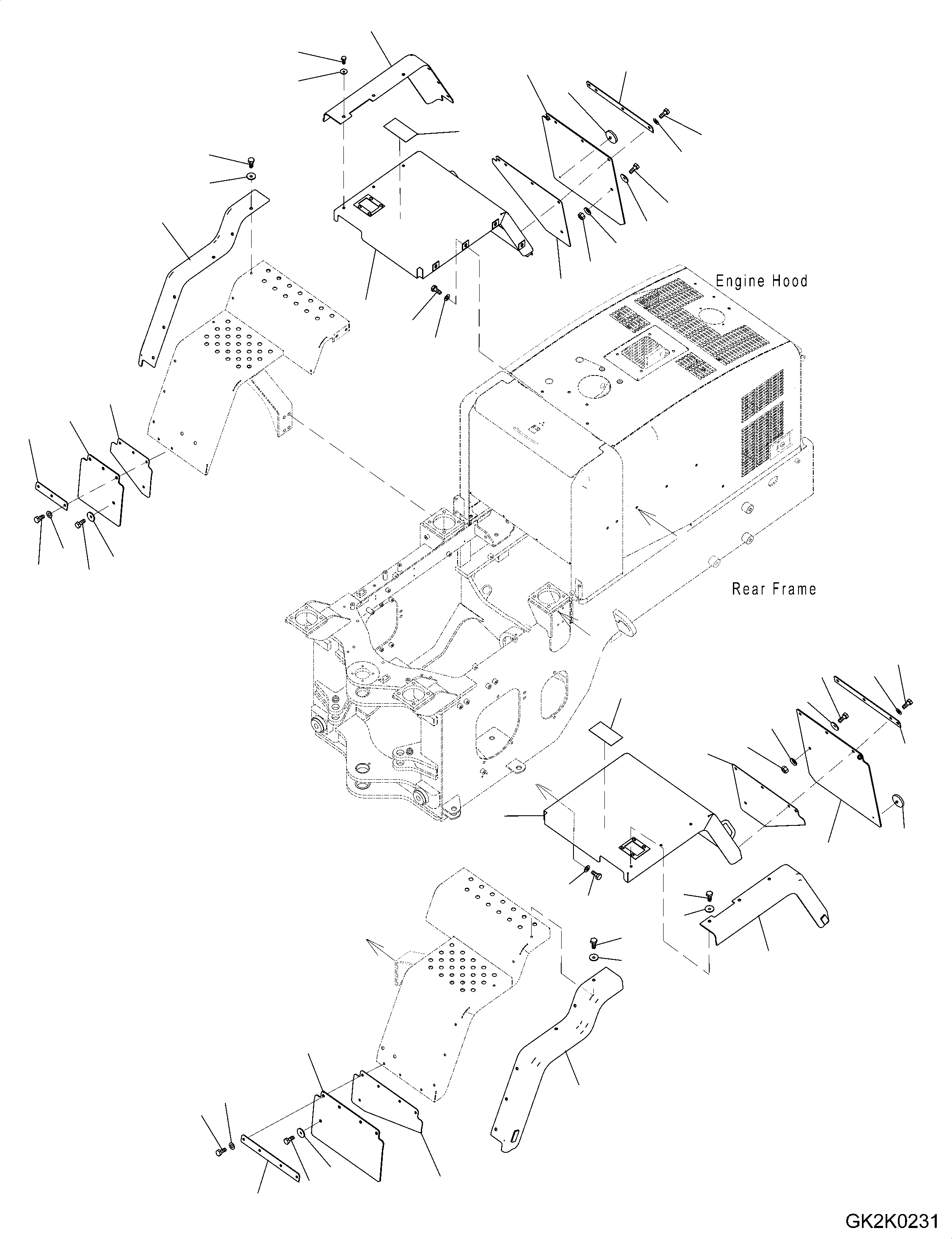
Запчасти Komatsu WA250PZ-6 ЗАДН. КРЫЛО (КРЫЛО И ЩИТКИ) M ЧАСТИ КОРПУСА

Схема запчастей Komatsu WA250PZ-6 - ЗАДН. КРЫЛО (КРЫЛО И ЩИТКИ) M ЧАСТИ КОРПУСА
7
8
17
15
24
9
5
18
12
19
13
23
11
20
22
21
16
2
3
4
26
28
30
32
34
31
33
18
19
23
5
20
22
21
16
17
1
24
14
8
4
3
9
12
13
6
27
32
10
31
34
25
33
29
a
a
b
b
FIT
1:1
100%

Артикул

Название

Примечание

Количество

1

418-54-31318

FENDER

SN: 75160-75467

1шт.

2

418-54-31327

FENDER

SN: 75160-75467

1шт.

3

01010-81225

BOLT

SN: 75160-75467

8шт.

4

01643-31232

WASHER

SN: 75160-75467

8шт.

5

09805-C0881

PLATE, CAUTION, DO NOT GET ON

SN: 75160-75467

2шт.

6

418-54-34950

COVER

SN: 75160-75467

1шт.

7

418-54-34960

COVER

SN: 75160-75467

1шт.

8

01010-81025

BOLT

SN: 75160-75467

12шт.

9

01643-31032

WASHER

SN: 75160-75467

12шт.

10

418-54-44930

COVER

SN: 75160-75467

1шт.

11

418-54-44940

COVER

SN: 75160-75467

1шт.

12

01010-81025

BOLT

SN: 75160-75467

12шт.

13

01643-31032

WASHER

SN: 75160-75467

12шт.

14

417-54-34652

SHEET

SN: 75160-75467

1шт.

15

417-54-34662

SHEET

SN: 75160-75467

1шт.

16

417-54-34640

PLATE

SN: 75160-75467

2шт.

17

417-54-34840

PLATE

SN: 75160-75467

2шт.

18

01010-81025

BOLT

SN: 75160-75467

8шт.

19

01643-31032

WASHER

SN: 75160-75467

8шт.

20

415-64-13120

WASHER

SN: 75160-75467

2шт.

21

01580-11210

NUT

SN: 75160-75467

4шт.

22

01643-31232

WASHER

SN: 75160-75467

4шт.

23

01010-81225

BOLT

SN: 75160-75467

2шт.

24

418-06-K1910

REFLECTOR REAR

SN: 75160-75467

2шт.

25

418-54-35531

PLATE, LHS

SN: 75160-75467

1шт.

26

418-54-35541

PLATE, RHS

SN: 75160-75467

1шт.

27

418-54-35550

SHEET

SN: 75160-75467

1шт.

28

418-54-35560

SHEET

SN: 75160-75467

1шт.

29

418-54-34840

PLATE

SN: 75160-75467

1шт.

30

418-54-34890

PLATE

SN: 75160-75467

1шт.

31

01010-81025

BOLT

SN: 75160-75467

7шт.

32

01643-31032

WASHER

SN: 75160-75467

7шт.

33

01010-81025

BOLT

SN: 75160-75467

2шт.

34

415-64-13120

WASHER

SN: 75160-75467

2шт.

Выбрано товаров: 34